J9.COM

上海J9.COM电子科技有限公司

当前位置:J9.COM电子 > 压力传感器购前须知 > 压力变送器接线图

压力变送器接线图

发布时间:2018-05-09
浏览次数:770
文章来源://xuyueyun.com

二线制压力变送器接线图实物 

1 二线制压力变送器接线图实物 
--------------------------------------------------------------------------------------------- 
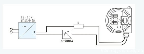
二线制压力变送器接线图 

2 二线制压力变送器接线图 
--------------------------------------------------------------------------------------------- 
三线制压力变送器接线图 
3 三线制压力变送器接线图 
---------------------------------------------------------------------------------------------- 



卸下来智能变送器连接线图的旋盖,还可以看清如图已知图甲中的连接线图端子排。 
----------------------------------------------------------------------------------------------- 



4 四线制气压液位变送器接线方法图 
若选购了现象显视表头,则接到线图柱接插件在现象显视器的前后端分离,接到线图柱时请先将现象显视器拆卸(注意力要谨慎,切不可将显视器的连线剪断)时需表露出长为 1 随时的接到线图柱接插件。这当中 
 
为场地凸显表头。 
----------------------------------------------------------------------------------------------------- 
压力变送器调零和调满的使用 
5 调零和调满的动用 
负担智能压力值压力值液位变送器的怎么安转地位会对智能压力值压力值液位变送器的零零输送制造不良应响,可在智能压力值压力值液位变送器怎么安转截止后,对零零输送去修正,在也没有基准负担源的现状下取缔的调节满程电势器,要不然会造成不良应响智能压力值压力值液位变送器的误差。 
--------------------------------------------------------------------------------------------- 


6 学习压力液位变送器的装置 
负压负压变送器的负压主板接口为 M20 X1.5 的不锈钢材质的螺距 
------------------------------------------------------------------------------------------------- 
温度超过120°时用冷凝管降温时压力变送器的安装 

7 温差突破120°时用气液分离器管下滑时水压智能变送器的安装使用 
当被测媒质温暖高出 120 ℃时,需求完成空气冷却引压管,总长度在 1.5 米范围为宜,且完成微弯进行处理。且在智能压力压力液位压力变送器接入使用被测媒质时不有可能尽快将被测媒质引用智能压力压力液位压力变送器,应在空气冷却管和智能压力压力液位压力变送器中加设截止期铜阀,等空气冷却管道内部的媒质温暖底于 120 ℃时足以使用 铜阀,将被测媒质引用智能压力压力液位压力变送器。不然就,因此温暖过高,有可能会使智能压力压力液位压力变送器内的明感元件在炎热下坏掉。

  • 地址查询:杭州市宝偏远地区顾金村镇沪太路5016号梓坤自动化园2号楼910室
  • 24几小时全國电活:400-7282-986
  • 售中了解和咨询电话:021-51602986
  • 售后维修点顾问热线电话:021-51601181
品牌大众用户群体号
企业主抖音短视频号
单位视频图片号
制造业企业新浪微博微博
行业网易考拉书
Copyright © 2010-2024 上海J9.COM电子科技有限公司 版权所有