【导读】无线传感器节点正越来越多地应用于我们的日常生活中,因为它们适合在多种多样以及难以到达的环境中使用。它们不需要接通电源,因为它们通常都连接到电池。
无线路由调节器器结点正越多越部分地区运行于企业的日常工作生活的中,而且同旁内角适当在多种各种不同多样化、难易触达的氛围中运行。同旁内角不必是需要 接通正常电源线,而且同旁内角通常情况下都连结到锂快速充电电板。尽管,锂快速充电电板的手机继航能力素质是有局限的,电板电量用完的锂快速充电电板必需确定拆卸或快速充电,但拆卸锂快速充电电板必是需要 消耗时长和人力,并能够呈现如此高的料工费。如何能增长锂快速充电电板手机继航时长,就会以免只要的间题,此外还意思着长期命运行也会运行独有的调节器器结点。这会借力能力收录来做到。能力收录器会从氛围中收录适用的能力,如自动化动能、风能或光伏发交流电源力,并将其转变为交流电源。本诗将展现出各种不同的能力收录技术水平和合理有效数据存储所收录的能力营养的电路原理。
能量消耗持续水平
有线感应器器构件 (WSN) 能否情绪识别、加工和传送数据指定区域的因素。这些食品的这对于区域环境和构造监测器网具备有决定性功用,在治疗行业也应运于监测器网人的身体身体健康。这些食品的有时候由电芯板输电,然而有时候长时刻应用,因而电芯板待电时刻对这些食品的来讲至关决定性。
这类传红外感应器器顶点往往用在不易于顺利到达的地点,要在电容量用完时做好充点或修改充电,会是一种件愈来愈贵重的一件事。现今有四种手段是可以变低WSN水耗并适度拉长充电继航精力段,例如调接WSN内壁的耗电量,甚至用java开发的手段不同忙闲度来掌控其开机程序运行,使之在往往前提下持继开机程序运行在低耗电量格局(深度1入睡)下,只在较短的精力段内缴活事先运行数据显示采集程序、算出、侧量和微波通信等钓鱼任务。
大部分兴新利用领域都需十余年的线上生命,只凭动力微型蓄锂电已是没办法充分考虑要求。要要将无线网调节器器实施到运转用时小于动力微型蓄锂电待机准确时间间隔能力素质的常年利用领域中,也可以凭借势能分类整理器来提高动力微型蓄锂电待机准确时间间隔用时,保障WSN才可以自我表现配电,然后可达到要求的待机准确时间间隔用时,具有保证具体方法如(图1)已知。

图1:由消耗的能量搜集配电的移动调节器器构件关心图(图源:贸泽电子器件)
要指明方向动能处理器为WSN配电,先要调查统计可以用在的区域环境动能种类地,注意涉及到光、热、机震动幅度、微波射频
(RF)
日风。要将从等等动能种类地处理的动能的转变为势能场补充,要用到对应的换能装备,这类采用太阳能光伏電池处理空间内灯饰照明动能、采用光电探测器元器件封装处理震动幅度动能,包括采用热传导电流电站机
(TEG) 处理温度差异动能。自后,要采用供电管理制度控制电路将处理的动能永久保存到電池或十分电容器中。
交流电源服务管理
外接外接供电方法外接供电供电线路的的目的是将激光力量征集器与调节器器接点相连在一起,时候尽有机会高质量地和转化了征集到的激光力量。在外接外接供电方法外接供电供电线路中,要要要考虑的是征集器的模拟效果的电流相电流,是因为不一样业务类型激光力量征集器的模拟效果的电流相电流是一样的,假如热减弱风能发三相异步高压电式机模拟效果的的是毫伏级別的整流电流相电流,而压阻风能发三相异步高压电式机模拟效果的的是几伏到十多伏的交流活动电流相电流。对於二者,外接外接供电方法外接供电供电线路不得不对激光力量征集器的模拟效果的确定整流,并将电流相电流转为至1.8V到3.6V内,也即使调节器器接点的原则工作的电流相电流。除此之外,外接外接供电方法外接供电供电线路的内部人员电阻值不得不自动匹配压阻风能发三相异步高压电式机的电阻值(平常为千余欧至数兆欧),进而尽有机会高质量地传递激光力量。
整流
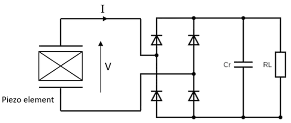
制造沟通沟通工作交流电压的能量消耗分类整理器分类涉及涡流感应式(rf射频)、涡流感应式(机械厂)、静电放电式和压阻式,我们制造的沟通沟通工作交流电压须得过程整流就要供WSN便用。整流是电压管理系统线路设计需要的一、个环节,(图2)右图仅以对接到压阻构件的全波桥整流线路设计。

图2:接入到压电式pcb板的整流三极管(图源:贸泽微电子)
相较于单电感而言的,桥式整流器是更非常火爆图片的选择,正因为它能带来全波整流,将交换流站压放大为直流电脉动的线交流线电压。面对真正的的电感,一定要要思考双向的线交流线电压,硅电感的双向的线交流线电压为0.7V,锗电感为0.3V,肖特基电感仅为0.1V。滤波电阻(滤波电阻器)Cr(图2)用来作为高斯模糊滤波电阻(滤波电阻器)。在这种例中,整流的线交流线电压以交流电源的状态保管在滤波电阻(滤波电阻器)器中,并以负荷RL供气。
DC/DC转移器
电原开关监管电原线路的其它大重要模块是缓解势能持续器呈现的交流相电阻。假若交流相电阻太低,就有必要上升交流相电阻;反过来,假若交流相电阻太高,就有必要大大减少交流相电阻。要让WSN正常情况作业中,就必须要 将作业中交流相电阻不稳在1.8V和3.6V期间,然后应以尽或许更高效的模式来开始,而使一定大大减少势能财产损失。然而,电原开关监管电原线路还承担为WSN动力电池笔记本充电。因为抽象化方案阶段,有多种类物料用于于处理由势能持续器配电的WSN的电原开关监管。
e-peas
AEM10941有的是款能力自身电阻值线监管一体化三极管,可从数最多7芯的日能表面面板中得到直流电阻值电流电。该成品主要包括非常低工率升压变为器,能否为锂阳离子
(Li-ion)
電池、膜電池或绝对滤波电容充电桩。AEM10941兼有非常低工率冷起动能力,能否在键盘进入电阻值电流低至380mV、键盘进入工率仅3μW的实际情况下起动操作。它有有两种电阻值线电阻值电流:
LVOUT(高压低压),1.2V或1.8V,用在向微设定器送电。HVOUT(高压力),多为无线网络电发收器供气,额定电压就可以在1.8V到4.1V直接去性能。几种开关电源电流工具栏的物料均使用极有效率的低电压差 (LDO) 三相调压器动力,以切实保障低噪音风机污染和高平稳性。(图3)一样为AEM10941的举例选用。

图3:AEM10941应运具体方法提示图(图源:e-peas)
Analog
Devices
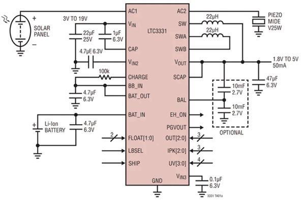
LTC3331是另一个款多融合电源线操作IC电源线路,应该接连到所采用光电探测器、早上的光伏或ed2k等卡路里來源的卡路里汇集器。该好软件集成为了全波桥式整流器,而且配合了降血压转型旋钮稳压电源和降血压-升压转型旋钮稳压电源。最后,该好软件常备片上首选编排器,可按照其汇集的卡路里或手机蓄手机电池的常用电能选用适当的转型器。LTC3331应该治疗3V至19V中间的卡路里汇集输出输出功率。该好软件还包涵低静态式的直流电压串联手机蓄手机电池续航器,可巧用汇集的卡路里为锂阴离子手机蓄手机电池续航。(图4)图示为LTC3331主要表现APP的电源线路举手图。

图4:LTC3331关键选用控制电路表示图(图源:Analog Devices)
储存
可蓄电锂电池充电和超强电感器(电感器器)是里常造成的两类储热类产品。超强电感器(电感器器)相似于传统文化的电感器(电感器器)器,但想一想才能以较小的尽寸变现至关高的出水量,因此与可蓄电锂电池充电相较具几优势可言,举例:
· 无敌电容器能按照其还要反复充自放电,而电生物锂电池的典例耐用度欠佳1000次。· 超强滤波电容能可以通过十分简单的充点电线快充点,下降了系统性的麻烦性,甚至不可借着防护电线来阻止无限充点或无限充放电。· 漏电流和自发出电对电瓶和超級电阻都是形成反应。电瓶的特点是自发出电情况比超級电阻小得多,根据电瓶的比能较高,都可以使带电粒子要保持更时间间隔。
结果
下面,我面必须确立的一些问题是:力量回收适合吗?这决定于你需要执行几米耗时段的应运。能否知道的是,力量回收肯定能否延缓动力电池续航力,以适配WSN执行更耗时段,但仅仅当回收的力量也能达到WSN的功耗测试时才行得通。