
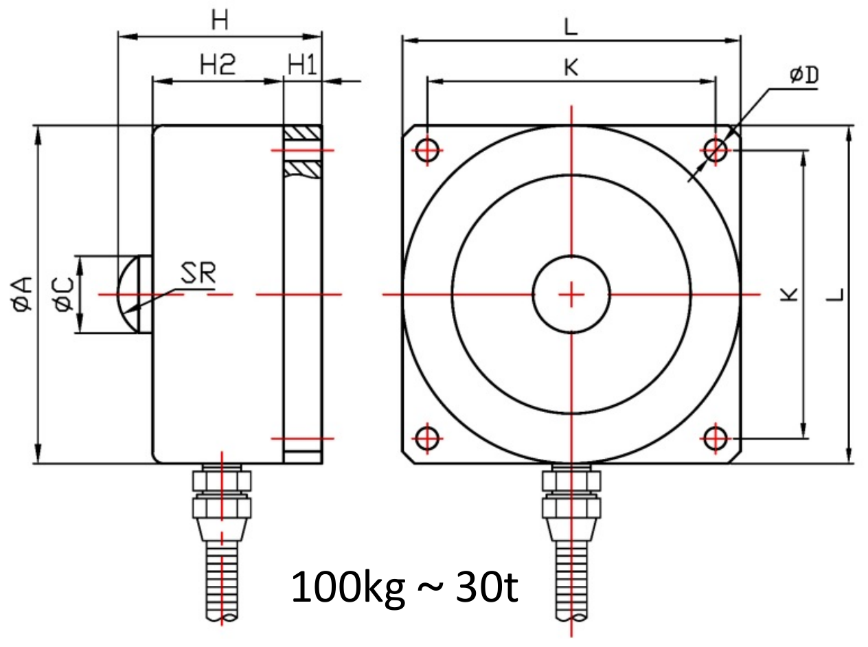
| 量 程 | ΦA | H | ΦC | H1 | H2 | K | L | SR | ΦD |
| 100~700kg | 72 | 41 | 16 | 8 | 25 | 62 | 72 | 8 | 4-Φ4.6 |
| 1~8t | 88 | 53 | 20 | 10 | 34 | 75 | 88 | 12 | 4-Φ5.6 |
| 10~15t | 114 | 70 | 25 | 13 | 46 | 95 | 114 | 25 | 4-Φ6.5 |
| 20~30t | 145 | 91 | 32 | 16 | 60 | 120 | 145 | 30 | 4-Φ11 |
传感器接线示意图: 传感器受力图:


| 参 数 | 技术参数 | 参 数 | 技术参数 |
| 量程 | 100kg~30t | 输出电阻 | 700±5Ω或1.4K±5Ω |
| 输出灵敏度 | 2.0±0.05mV/V | 工作温度范围 | -20~+70℃ |
| 非线性 | ±0.05~±0.1%F.S. | 安全过载 | 150%F·S |
| 滞后误差 | ±0.05%F.S. | 绝缘电阻 | ≥2000MΩ |
| 重复性误差 | ±0.05%F.S. | 激励电压 | 5V~12V |
| 蠕变 | ±0.05%F.S. | 防护等级 | IP65、IP66 |
| 零点温度系数 | ±0.05%F.S./10℃ | 材质 | 合金钢、不锈钢 |
| 灵敏度温度系数 | ±0.05%F.S./10℃ | 线缆 | Φ5x3m |
| 输入电阻 | 750±30Ω或1.45K±50Ω |
1.J9.COM为客户提供安装调试服务,以及其他技术咨询,必要时技术人员可上门提供技术培训。客户如有技术上疑问,技术人员将在4个小时内给出回复。
2.J9.COM新產品标准假设按照ISO9001时代国际效率风险管理体系设计构思种植,感应器器新產品整机保修期限三年半年.电子仪表类新產品整机保修期限三年两年多,7天退货及换货货,終身维修部。(人为因素损毁不在于整机保修期限三年位置,全屋定制新產品无效率状况不返不改。)3.因质量问题造成的退换货,J9.COM将承担退换货运费。非质量问题退换货费用将由客户承担。
注:质量问题是指功能,尺寸、指标、安装方式等定制参数未按照客户提出的要求定制,功能不符,尺寸误差,精度不准(误差范围内除外)。
定制产品需双方确认图纸后加工生产,如产品不符合客户要求需在二周内提出书面异议,客户未按规定期限提出异议视为验收合格。
如在期限内提出异议,双方确认后确属产品质量问题或未按双方确认后的要求生产,可调换或退款。如无质量问题,且发货型号与合同签订型号完整无误,则不提供退换货服务。
售后咨询
技術谘询、返厂维修部、增值税发票、投诉举报可以等有关于间题。安裝服務热线电话021-51601181
行业大众用户群体号
的企业短视频号
中小企业视频播放号
公司微信
企业公司小红书的书