柱式荷重传感器结构紧凑,综合精度高,长期稳定性好,动态响应频率高,优质不锈钢材料。柱式荷重传感器的核心是**利用柱状弹性体的应变效应实现力电转换**。原理为:外力作用使柱状弹性体产生形变,表面应变片随形变改变电阻,通过测量电路将电阻变化转化为与载荷成正比的电信号。 特点简单概括:结构坚固、承载能力强,精度稳定,抗偏载能力较好,适用于大载荷测量,安装维护较简便。
多采用于汽車压装、自然化組裝、3C物品測試软件、新绿色能源物品組裝、医疗机构验测、机系统人范围,塑胶模具組裝和其他工农业測試软件、自然化系统范围和測試软件范围。
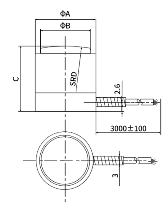
| 量 程 | A | B | C | D |
| 10~20KN | 16 | 14 | 15 | 50 |
| 50~75KN | 22.4 | 20.4 | 22.4 | 100 |
| 100~150KN | 31.8 | 28.9 | 28.7 | 125 |
传感器接线示意图: 传感器受力图:


技术指标
| 参 数 | 技术参数 | 参 数 | 技术参数 |
| 量程 | 0~150KN | 材质 | 不锈钢 |
| 输出灵敏度 | 1.0~1.5mV/V | 阻抗 | 350Ω |
| 零点输出 | ±2%F.S. | 绝缘电阻 | ≥5000MΩ/100VDC |
| 非线性 | 0.5%F.S. | 使用电压 | 5~15V |
| 滞后 | 0.1%F.S. | 工作温度范围 | -20~80℃ |
| 重复性 | 0.1%F.S. | 安全过载 | 150%F·S |
| 蠕变(30分钟) | 0.1%F.S. | 极限过载 | 200% |
| 温度灵敏度漂移 | 0.05%F.S./10℃ | 电缆线规格 | Φ2x2m |
| 零点温度漂移 | 0.05%F.S./10℃ | 线缆极限拉力 | 10kg |
| 响应频率 | 10kHz |
1.J9.COM为客户提供安装调试服务,以及其他技术咨询,必要时技术人员可上门提供技术培训。客户如有技术上疑问,技术人员将在4个小时内给出回复。
2.J9.COM成品非常严格决定ISO9001展览高高质量保障体系设计构思产量,感知器成品保修期在一年.智能仪表类成品保修期四年,7天包换货,一辈子维修费。(由人损毁没有在保修期位置,来样加工成品无高高质量间题未退没换。)3.因质量问题造成的退换货,J9.COM将承担退换货运费。非质量问题退换货费用将由客户承担。
注:质量问题是指功能,尺寸、指标、安装方式等定制参数未按照客户提出的要求定制,功能不符,尺寸误差,精度不准(误差范围内除外)。
定制产品需双方确认图纸后加工生产,如产品不符合客户要求需在二周内提出书面异议,客户未按规定期限提出异议视为验收合格。
如在期限内提出异议,双方确认后确属产品质量问题或未按双方确认后的要求生产,可调换或退款。如无质量问题,且发货型号与合同签订型号完整无误,则不提供退换货服务。
售后咨询
技能资询、返厂维修保养、单据、投述意见和建议等关联故障。售后维修服務服務电活021-51601181
工业企业顾客号
企业的抖音音乐号
中小型企业短视频号
商家新浪微博
企业点点书