柱式荷重调节器器的基本是以柱状体弹力体为基本,应用应力应变速率相应将反力导出为铁通网络号。原里为:角色力角色于柱体时,其生产支承或径向变形,拷贝在柱体上的应力应变速率片阻值形成的变化,经电路原理净化处理输入输出与反力不成比例的铁通网络号。基本优势:组成比较简单耐用,经受效果强,能经受大载货量反力(从几吨到数万吨),抗偏载能尽量,衡量的精密性强,稳定可靠性强,应用于于静态变量或动态图反力衡量,按装程序方式方法敏锐,可垂线或层次按装程序,认知不同生产。
广泛应用于水泥、煤炭等各种行业的电子汽车衡、轨道衡、平台秤及其它各种称重、测力的工业自动化测量控制系统。

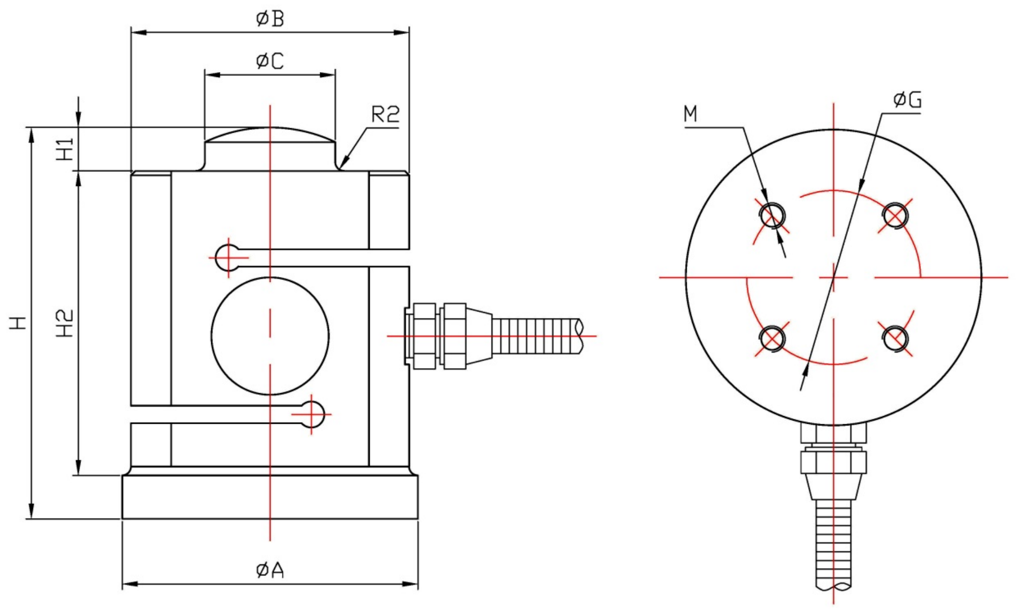
| 量 程 | ΦA | H | ΦB | ΦC | H1 | H2 | ΦG | SR | M |
| 50~500kg | Φ54 | 76 | Φ46 | Φ24 | 12 | 56 | Φ35 | 24 | 2-M5x8 |
| 1~6t | Φ68 | 90 | Φ64 | Φ30 | 10 | 70 | Φ40 | 35 | 4-M6x8 |
| 10~20t | Φ88 | 130 | Φ84 | Φ45 | 13 | 105 | Φ52 | 55 | 4-M8x10 |
| 25~30t | Φ108 | 150 | Φ104 | Φ55 | 15 | 120 | Φ70 | 60 | 4-M10x12 |
传感器接线示意图: 传感器受力图:


| 参 数 | 技术参数 | 参 数 | 技术参数 |
| 量程 | 50kg~30t | 输出电阻 | 350±5Ω |
| 输出灵敏度 | 2.0±0.05mV/V | 工作温度范围 | -20~+70℃ |
| 非线性 | ±0.03~±0.05%F.S. | 安全过载 | 150%F·S |
| 滞后误差 | ±0.03%F.S. | 绝缘电阻 | ≥2000MΩ |
| 重复性误差 | ±0.03%F.S. | 激励电压 | 5V~12V |
| 蠕变 | ±0.03%F.S. | 防护等级 | IP66 |
| 零点温度系数 | ±0.05%F.S./10℃ | 材质 | 合金钢、不锈钢 |
| 灵敏度温度系数 | ±0.05%F.S./10℃ | 线缆 | Φ5x3m |
| 输入电阻 | 380±30Ω |
1.J9.COM为客户提供安装调试服务,以及其他技术咨询,必要时技术人员可上门提供技术培训。客户如有技术上疑问,技术人员将在4个小时内给出回复。
2.J9.COM软件严苛遵循ISO9001國际车辆品质装修标准开发生产加工,感应器器软件安全性能保证1年时间内.仪器仪表类软件安全性能保证两年多,7天退换货流程货,終身修补。(因人搞坏找不到安全性能保证的范围,制定软件无车辆品质间题没退没换。)3.因质量问题造成的退换货,J9.COM将承担退换货运费。非质量问题退换货费用将由客户承担。
注:质量问题是指功能,尺寸、指标、安装方式等定制参数未按照客户提出的要求定制,功能不符,尺寸误差,精度不准(误差范围内除外)。
定制产品需双方确认图纸后加工生产,如产品不符合客户要求需在二周内提出书面异议,客户未按规定期限提出异议视为验收合格。
如在期限内提出异议,双方确认后确属产品质量问题或未按双方确认后的要求生产,可调换或退款。如无质量问题,且发货型号与合同签订型号完整无误,则不提供退换货服务。
售后咨询
枝术咨询了解。、返厂维修服务管理、增值税专票、投诉信推荐 等有关的情况。售后客服服务管理电语021-51601181
企业群众号
单位抖音小视频号
企业的视频图片号
公司新浪微博
企业主点点书