平米式膜盒感测器器中心是**能够 平米膜盒可塑性体的变弯控制力-电转换成**。远离为:外力或外界因素使平米膜盒(薄型可塑性设计)发生微变弯,带给应力应变片阻值变动,经电线导出为与动载荷相应的5G号。特征 简洁主要内容:设计圆形、质量小,加载失败较快,密封圈性好,抗侧向力效果不弱,实用在三维空间异常游戏场景,表面粗糙度安稳且区域适于性很好。
广泛应用于自动化设备,精密仪器,医疗卫生机器设备,销费智能,工業操作等行业。
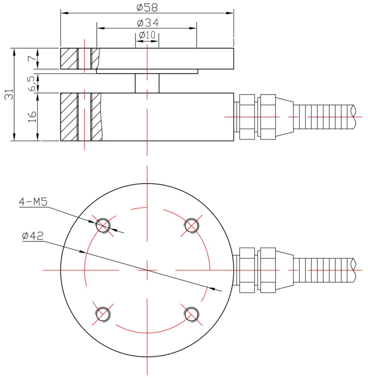
传感器接线示意图: 传感器受力图:


| 参 数 | 技术参数 | 参 数 | 技术参数 |
| 量程 | 50kg~2t | 输出电阻 | 350±5Ω |
| 输出灵敏度 | 1.5~2.0±0.05mV/V | 工作温度范围 | -20~+70℃ |
| 非线性 | ±0.3~±0.5%F.S. | 安全过载 | 120%F·S |
| 滞后误差 | ±0.3%F.S. | 绝缘电阻 | ≥2000MΩ |
| 重复性误差 | ±0.3%F.S. | 激励电压 | 5V~12V |
| 蠕变 | ±0.1%F.S. | 防护等级 | IP66 |
| 零点温度系数 | ±0.1%F.S./10℃ | 材质 | 合金钢、不锈钢 |
| 灵敏度温度系数 | ±0.1%F.S./10℃ | 线缆 | Φ5x3m |
| 输入电阻 | 380±30Ω |
大客户: 联系客服-咨询行业解决方案-确认产品型号参数-签订相关技术合同-付款-物流发货-签收
1.J9.COM为客户提供安装调试服务,以及其他技术咨询,必要时技术人员可上门提供技术培训。客户如有技术上疑问,技术人员将在4个小时内给出回复。
2.J9.COM类物品严谨确定ISO9001国际金的效果体制结构设计生产销售,感应器器类物品整车保修4年.仪容仪表类类物品整车保修4年,7天退货退款货,終身维修部。(由人影响没有整车保修位置,个性类物品无的效果故障 拒退不更换。)3.因质量问题造成的退换货,J9.COM将承担退换货运费。非质量问题退换货费用将由客户承担。
注:质量问题是指功能,尺寸、指标、安装方式等定制参数未按照客户提出的要求定制,功能不符,尺寸误差,精度不准(误差范围内除外)。
定制产品需双方确认图纸后加工生产,如产品不符合客户要求需在二周内提出书面异议,客户未按规定期限提出异议视为验收合格。
如在期限内提出异议,双方确认后确属产品质量问题或未按双方确认后的要求生产,可调换或退款。如无质量问题,且发货型号与合同签订型号完整无误,则不提供退换货服务。
售后咨询
水平了解和咨询、返厂保修、收据、匿名举报建意等重要性情况。售后维修服务质量电话021-51601181
企业主大学生消费群体号
机构抖音视频号
品牌视頻号
企业微博号
公司点点书