广泛应用于小型称重设备,消费电子检测,自动化生产线,医疗设备设备等各种测力称重的工业自动化测控系统中。

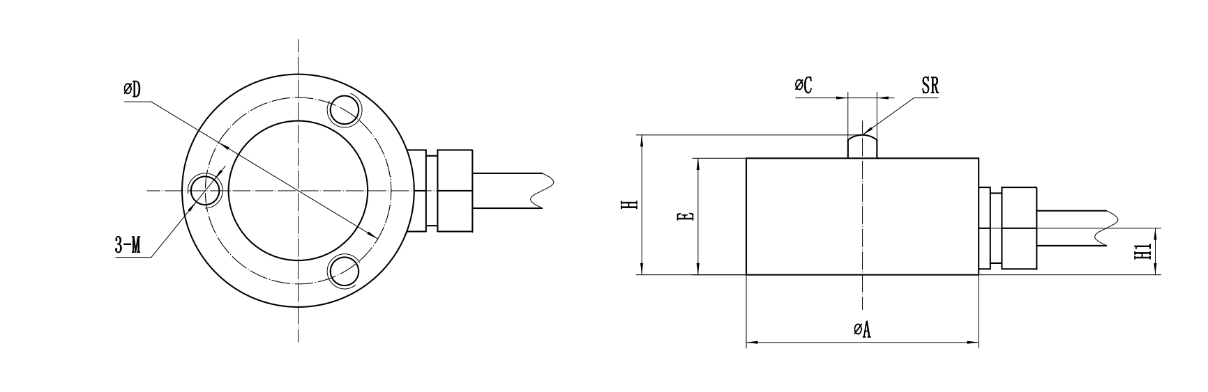
| 量 程 | ΦA | ΦC | ΦD | H | E | M | H1 | SR |
| 10~200kg | 20 | 2.5 | 15.5 | 12 | 10 | M3深7 | 4 | 2 |
| 300~500kg | 26 | 5 | 18.5 | 15 | 11.5 | M4深6 | 5 | 6 |
| 1~5t | 37.7 | 10.8 | 31 | 15.5 | 14 | M2.5深8 | 4 | 50 |
传感器接线示意图: 传感器受力图:


| 参 数 | 技术参数 | 参 数 | 技术参数 |
| 量程 | 0~10t | 材质 | 不锈钢 |
| 输出灵敏度 | 1.0~2.0mV/V | 阻抗 | 700/1000Ω |
| 零点输出 | ±1%F.S. | 绝缘电阻 | ≥5000MΩ/100VDC |
| 非线性 | 0.3%F.S. | 使用电压 | 5~10V |
| 滞后 | 0.3%F.S. | 工作温度范围 | -20~80℃ |
| 重复性 | 0.3%F.S. | 安全过载 | 150%F·S |
| 蠕变(30分钟) | 0.1%F.S. | 极限过载 | 200% |
| 温度灵敏度漂移 | 0.3%F.S./10℃ | 电缆线规格 | 0~5t:Φ3x2m 10t:Φ5x2m |
| 零点温度漂移 | 0.3%F.S./10℃ | 线缆极限拉力 | 10kg |
| 响应频率 | 10kHz |
1.J9.COM为客户提供安装调试服务,以及其他技术咨询,必要时技术人员可上门提供技术培训。客户如有技术上疑问,技术人员将在4个小时内给出回复。
2.J9.COM的类厂品须严格遵循ISO9001亚太品质网络体系设置的生产,感应器器的类厂品保修期在一年.仪盘表类的类厂品保修期5年,7天退货及换货货,终生维修培训。(由人影响找不着保修期比率,定制开发的类厂品无品质故障不降不更换。)3.因质量问题造成的退换货,J9.COM将承担退换货运费。非质量问题退换货费用将由客户承担。
注:质量问题是指功能,尺寸、指标、安装方式等定制参数未按照客户提出的要求定制,功能不符,尺寸误差,精度不准(误差范围内除外)。
定制产品需双方确认图纸后加工生产,如产品不符合客户要求需在二周内提出书面异议,客户未按规定期限提出异议视为验收合格。
如在期限内提出异议,双方确认后确属产品质量问题或未按双方确认后的要求生产,可调换或退款。如无质量问题,且发货型号与合同签订型号完整无误,则不提供退换货服务。
售后咨询
能力谘询、返厂维修培训、普通发票、投诉举报可以等有关的方面。售服服务项目热线021-51601181
单位大众用户群体号
行业快手小视频号
机构视频图片号
各个企业社交平台
企业主点点书