膜盒式荷重传调节器器通过平膜感压,设备壳和膜片合二为一结构设计,体型小、性能指标稳定性靠谱。膜盒式荷重感测器器以膜盒状Q弹体为灵敏电气元件,的原理是反力用处使膜盒存在塑性变形,起到内壁应对片电阻功率变现,使用集成运放装换模拟输出与反力各自的电信宽带号。 基本特征可容易选择为:构造宽敞、体积计算小,适小个人空间连接;自动测量方法可靠性强,精密程度高,越发可用在于小反力(基本几kg到几百块kg)自动测量方法;抗负载技能强些,稳定量分析高性好,能应用动态数据或静态变量的轻载测量情景。
很广应用来各种各样的测力称准的重工业自動化测控模式中。
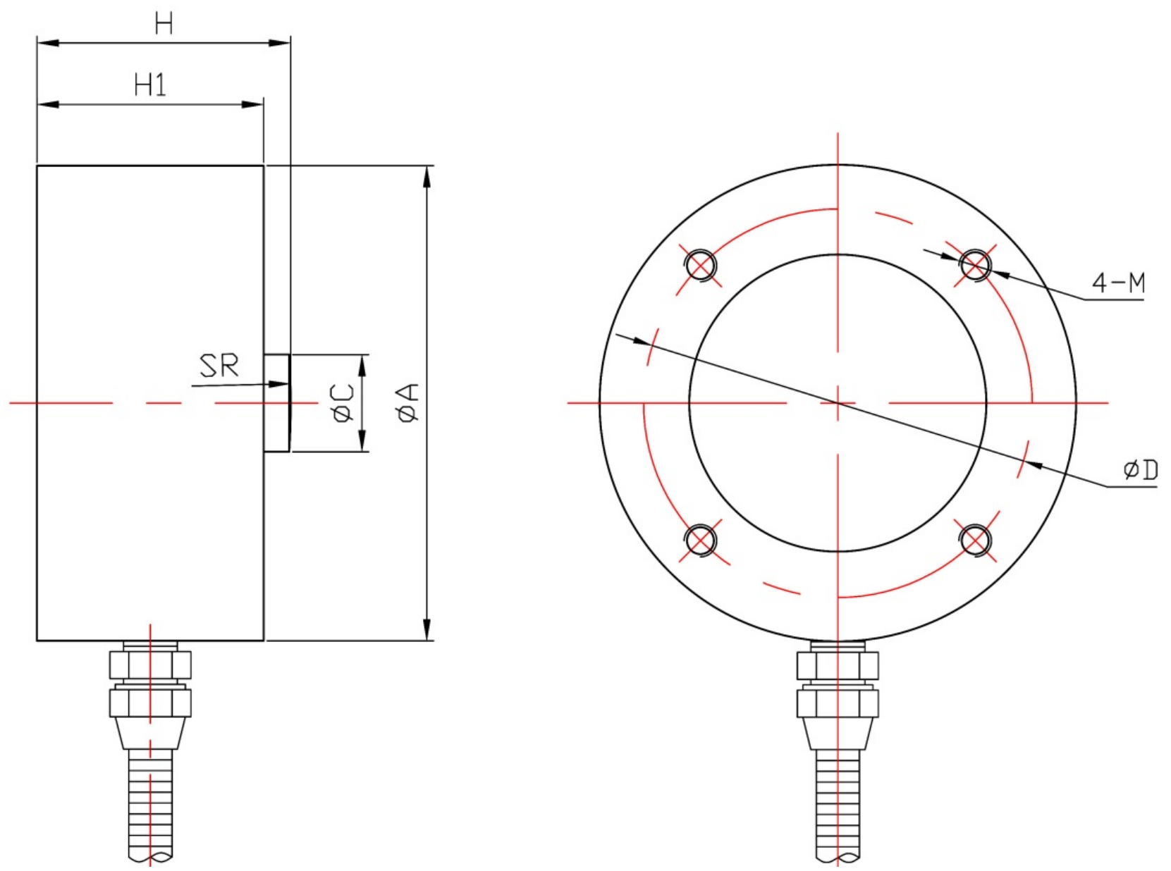
| 量 程 | ΦA | ΦC | H | H1 | SR | ΦD | 4-M |
| 50kg~5t | Φ51 | Φ10 | 25 | 20 | 50 | Φ42 | M5x8 |
| 6~10t | Φ88 | Φ18 | 47 | 42 | 150 | Φ72 | M6x12 |
传感器接线示意图: 传感器受力图:


| 参 数 | 技术参数 | 参 数 | 技术参数 |
| 量程 | 50kg~10t | 输出电阻 | 700±5Ω |
| 输出灵敏度 | 2.0±0.05mV/V | 工作温度范围 | -20~+70℃ |
| 非线性 | ±0.3~±0.5%F.S. | 安全过载 | 120%F·S |
| 滞后误差 | ±0.3%F.S. | 绝缘电阻 | ≥2000MΩ |
| 重复性误差 | ±0.3%F.S. | 激励电压 | 5V~12V |
| 蠕变 | ±0.1%F.S. | 防护等级 | IP66 |
| 零点温度系数 | ±0.1%F.S./10℃ | 材质 | 合金钢、不锈钢 |
| 灵敏度温度系数 | ±0.1%F.S./10℃ | 线缆 | Φ5x3m |
| 输入电阻 | 750±30Ω |
1.J9.COM为客户提供安装调试服务,以及其他技术咨询,必要时技术人员可上门提供技术培训。客户如有技术上疑问,技术人员将在4个小时内给出回复。
2.J9.COM的品牌设备设备严厉遵循ISO9001知名的品质标准设定加工,传红外感应器器的品牌设备设备保修半年.仪表盘类的品牌设备设备保修5年,7天退货退款货,一生修理。(应为人为磨损未在保修区间,个性定制的品牌设备设备无的品质困难不降只换。)3.因质量问题造成的退换货,J9.COM将承担退换货运费。非质量问题退换货费用将由客户承担。
注:质量问题是指功能,尺寸、指标、安装方式等定制参数未按照客户提出的要求定制,功能不符,尺寸误差,精度不准(误差范围内除外)。
定制产品需双方确认图纸后加工生产,如产品不符合客户要求需在二周内提出书面异议,客户未按规定期限提出异议视为验收合格。
如在期限内提出异议,双方确认后确属产品质量问题或未按双方确认后的要求生产,可调换或退款。如无质量问题,且发货型号与合同签订型号完整无误,则不提供退换货服务。
售后咨询
技巧顾问、返厂修补、单据、举报建立等涉及到问題。售后客服售后热线电话021-51601181
中小企业大家号
各个企业抖音小视频号
企业公司视频播放号
公司微博微博
企业公司小华书