定滑轮式荷重传感器采用双剪切梁式结构,综合精度高、安装简单方便、长期稳定性好、兼容性好。定滑轮试荷重传电子元器件感应器器器将**定滑轮的设备构造与测力元器件结合**,的原理是缆绳凭借滑轮时,力值使传电子元器件感应器器器可塑性体形成弯曲,应变力片觉察弯曲并转换成为与承载力分别的电信网号,简接自动量测缆绳受到的拉力(承载力)。 性能:融入缆绳类承载力自动量测的3d场景,装置快捷;可凭借滑轮转换力的方向上,不后果到以往受压力路劲;自动量测定位精度受缆绳多角度后果到较小,满量程中级,符合于桥式起重机的设备、升降机限速器、缆绳力值监测系统等需简接测拉力的的3d场景。
广泛应用于起重、水利、煤矿等行业的自动化测量控制系统。

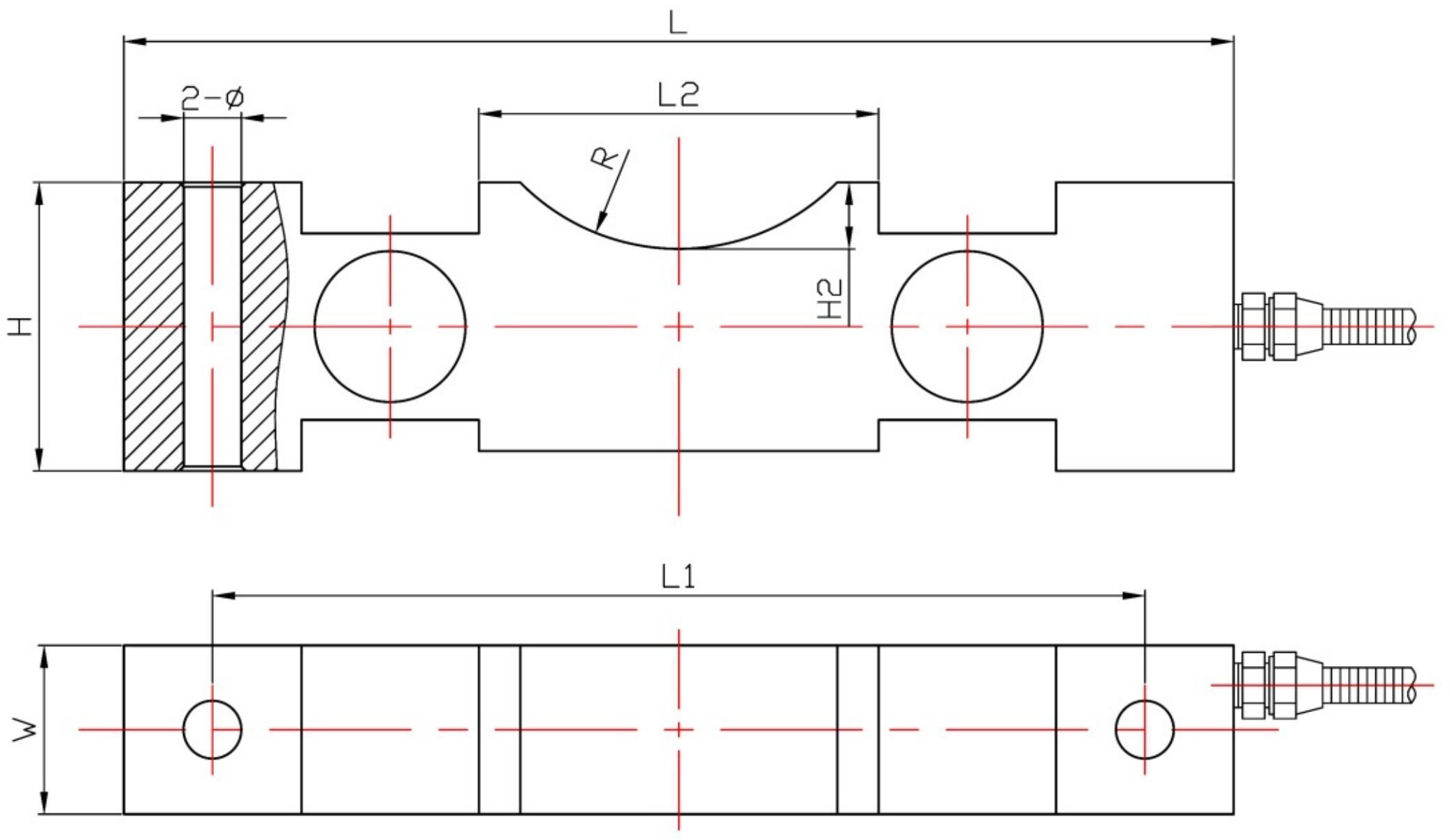
| 示值 | L | W | H | L2 | L2 | R | H2 | 2-Φ |
| 2t | 250 | 32 | 65 | 210 | 90 | 50 | 15 | Φ13 |
| 3t | 250 | 38 | 65 | 210 | 90 | 50 | 15 | Φ13 |
| 5t | 300 | 44 | 80 | 250 | 110 | 60 | 18 | Φ17 |
| 10t | 300 | 44 | 80 | 250 | 110 | 60 | 20 | Φ17 |
| 15t~20t | 350 | 60 | 106 | 295 | 146 | 80 | 23 | Φ22 |
| 30t | 410 | 68 | 114 | 340 | 170 | 90 | 26 | Φ26 |
| 50t | 460 | 68 | 116 | 360 | 170 | 90 | 26 | Φ32 |
传感器接线示意图: 传感器受力图:


| 参 数 | 技术参数 | 参 数 | 技术参数 |
| 量程 | 2t~50t | 输出电阻 | 700±5Ω |
| 输出灵敏度 | 1.5±0.05mV/V | 工作温度范围 | -20~+70℃ |
| 非线性 | ±0.05%F.S. | 安全过载 | 150%F·S |
| 滞后误差 | ±0.05%F.S. | 绝缘电阻 | ≥2000MΩ |
| 重复性误差 | ±0.05%F.S. | 激励电压 | 5V~12V |
| 蠕变 | ±0.05%F.S. | 防护等级 | IP66 |
| 零点温度系数 | ±0.05%F.S./10℃ | 材质 | 合金钢、不锈钢 |
| 灵敏度温度系数 | ±0.05%F.S./10℃ | 线缆 | Φ5x3m |
| 输入电阻 | 750±30Ω |
1.J9.COM为客户提供安装调试服务,以及其他技术咨询,必要时技术人员可上门提供技术培训。客户如有技术上疑问,技术人员将在4个小时内给出回复。
2.J9.COM厂品都按照严格都按照ISO9001知名线安全性能标准体系设定生產,传调节器器厂品保修期限在一年.电子仪表类厂品保修期限五年,7天换货货,长期维修培训。(被人故意受损并不在保修期限时间范围,订做厂品无线安全性能故障 拒退没换。)3.因质量问题造成的退换货,J9.COM将承担退换货运费。非质量问题退换货费用将由客户承担。
注:质量问题是指功能,尺寸、指标、安装方式等定制参数未按照客户提出的要求定制,功能不符,尺寸误差,精度不准(误差范围内除外)。
定制产品需双方确认图纸后加工生产,如产品不符合客户要求需在二周内提出书面异议,客户未按规定期限提出异议视为验收合格。
如在期限内提出异议,双方确认后确属产品质量问题或未按双方确认后的要求生产,可调换或退款。如无质量问题,且发货型号与合同签订型号完整无误,则不提供退换货服务。
售后咨询
工艺详询、返厂维修培训、税票、举报最好等有关系间题。售后功能功能热线电话021-51601181
工厂群众号
商家火山小视频号
企业主视频播放号
制造业企业微薄
中小型企业红红书