
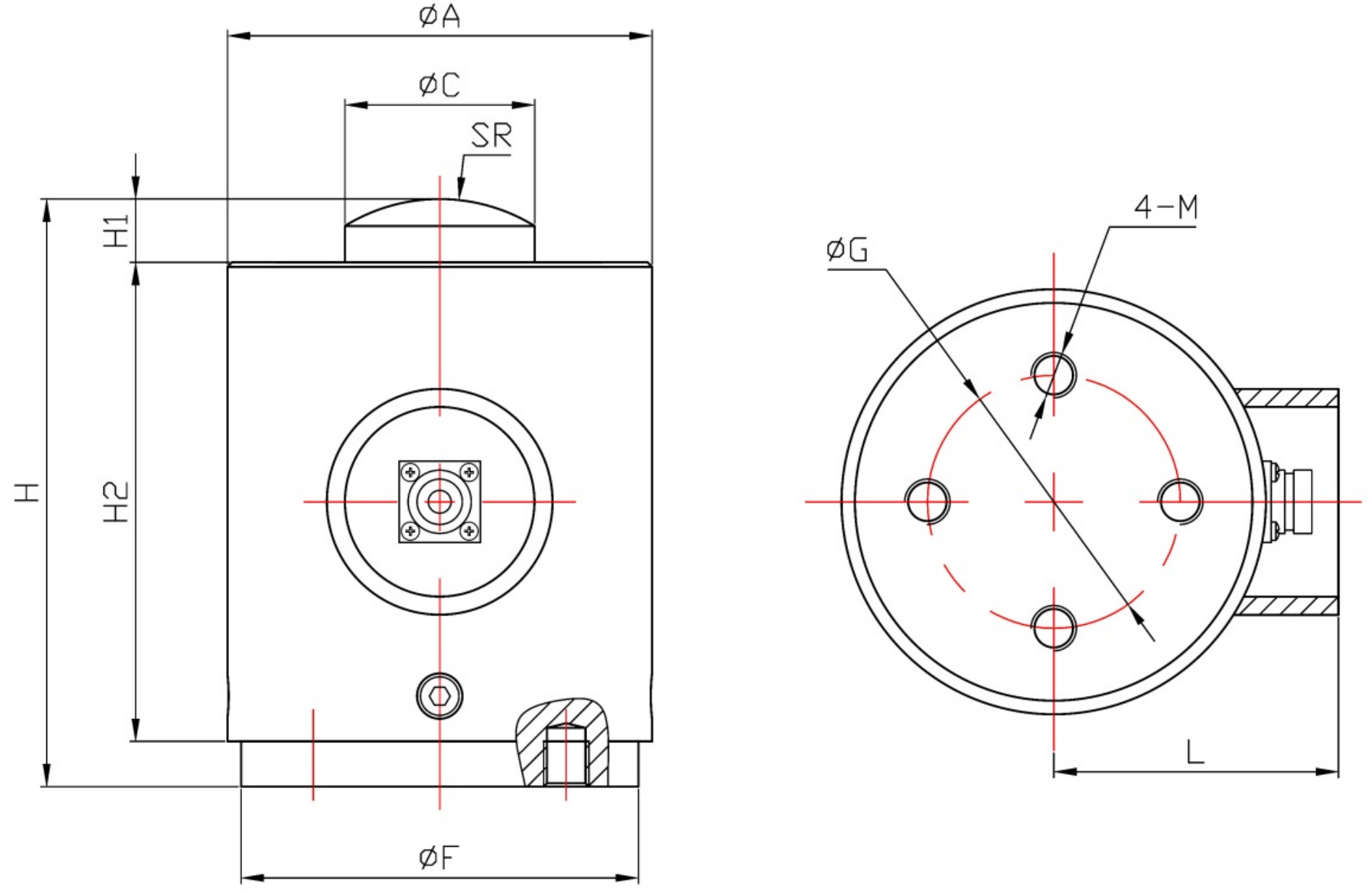
| 量 程 | ΦA | H | H1 | H2 | ΦC | ΦF | ΦG | SR | 4-M | L |
| 10~30t | Φ94 | 130 | 14 | 106 | Φ42 | Φ88 | Φ56 | 100 | M10x10 | 67 |
| 50~100t | Φ129 | 178 | 18 | 148 | Φ76 | Φ124 | Φ82 | 200 | M12x12 | 85 |
| 150~200t | Φ149 | 220 | 24 | 182 | Φ100 | Φ144 | Φ98 | 300 | M14x14 | 95 |
| 250~300t | Φ184 | 260 | 28 | 216 | Φ120 | Φ178 | Φ130 | 400 | M16x16 | 117 |
传感器接线示意图: 传感器受力图:


| 参 数 | 技术参数 | 参 数 | 技术参数 |
| 量程 | 10t~300t | 输出电阻 | 700±5Ω |
| 输出灵敏度 | 1.5±0.05mV/V | 工作温度范围 | -20~+70℃ |
| 非线性 | ±0.3~±0.5%F.S. | 安全过载 | 150%F·S |
| 滞后误差 | ±0.3%F.S. | 绝缘电阻 | ≥2000MΩ |
| 重复性误差 | ±0.2%F.S. | 激励电压 | 5V~12V |
| 蠕变 | ±0.15%F.S. | 防护等级 | IP66 |
| 零点温度系数 | ±0.1%F.S./10℃ | 材质 | 合金钢、不锈钢 |
| 灵敏度温度系数 | ±0.1%F.S./10℃ | 线缆 | Φ5x3m |
| 输入电阻 | 750±30Ω |
1.J9.COM为客户提供安装调试服务,以及其他技术咨询,必要时技术人员可上门提供技术培训。客户如有技术上疑问,技术人员将在4个小时内给出回复。
2.J9.COM新品牌严格的都按照ISO9001国际英文質量保障体系规划种植,传控制传感器器新品牌保修半年.仪表盘类新品牌保修三年,7天退货退款货,终身的检修。(应为人为烧坏不会保修条件,私人定制新品牌无質量话题没退没换。)3.因质量问题造成的退换货,J9.COM将承担退换货运费。非质量问题退换货费用将由客户承担。
注:质量问题是指功能,尺寸、指标、安装方式等定制参数未按照客户提出的要求定制,功能不符,尺寸误差,精度不准(误差范围内除外)。
定制产品需双方确认图纸后加工生产,如产品不符合客户要求需在二周内提出书面异议,客户未按规定期限提出异议视为验收合格。
如在期限内提出异议,双方确认后确属产品质量问题或未按双方确认后的要求生产,可调换或退款。如无质量问题,且发货型号与合同签订型号完整无误,则不提供退换货服务。
售后咨询
技木顾问、返厂修理、普通发票、匿名举报觉得等涉及到的问题。售后维修精准服务精准服务热线021-51601181
企业公司大学生消费群体号
机构火山小视频号
企业主视频图片号
中小型企业微博号
公司小红书看到分享的书