
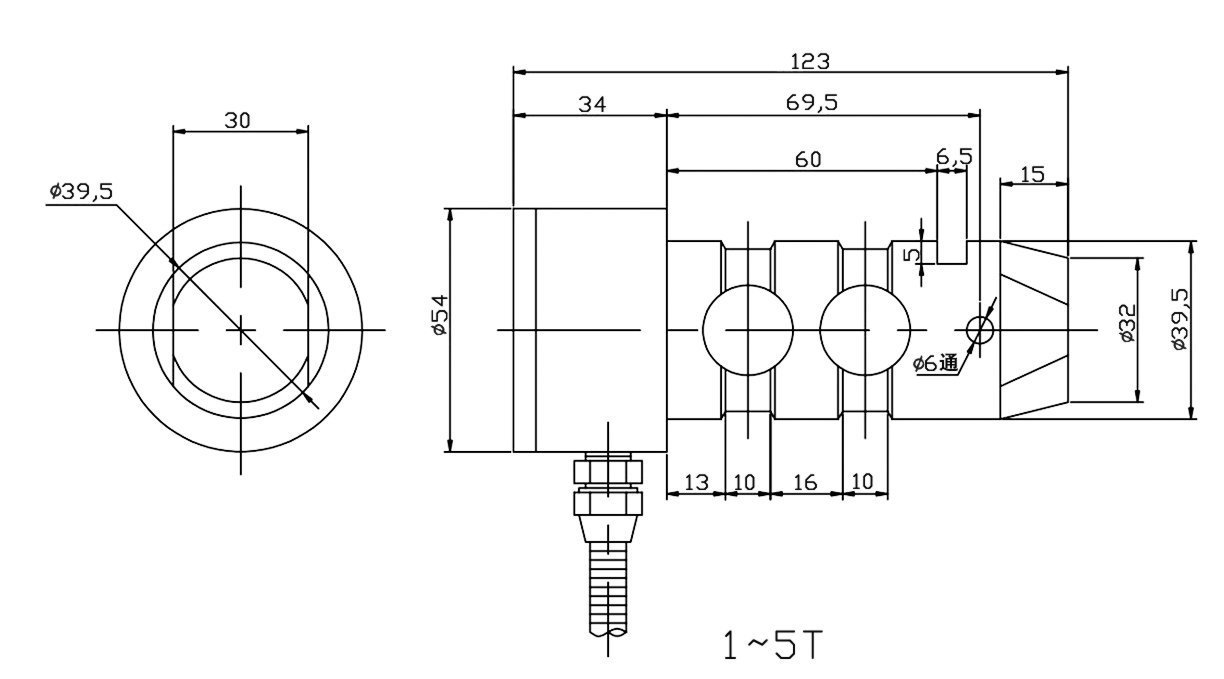
传感器接线示意图: 传感器受力图:


| 参 数 | 技术参数 | 参 数 | 技术参数 |
| 量程 | 1t~3t | 输出电阻 | 700±5Ω |
| 输出灵敏度 | 1.0±0.05mV/V | 工作温度范围 | -20~+70℃ |
| 非线性 | ±0.1~±0.3%F.S. | 安全过载 | 150%F·S |
| 滞后误差 | ±0.1%F.S. | 绝缘电阻 | ≥2000MΩ |
| 重复性误差 | ±0.1%F.S. | 激励电压 | 5V~12V |
| 蠕变 | ±0.05%F.S. | 防护等级 | IP66 |
| 零点温度系数 | ±0.05%F.S./10℃ | 材质 | 合金钢、不锈钢 |
| 灵敏度温度系数 | ±0.05%F.S./10℃ | 线缆 | Φ5x3m |
| 输入电阻 | 750±30Ω |
1.J9.COM为客户提供安装调试服务,以及其他技术咨询,必要时技术人员可上门提供技术培训。客户如有技术上疑问,技术人员将在4个小时内给出回复。
2.J9.COM成品标准如果根据ISO9001国.际重量制度个性定制制造,感测器器成品保修1年时间内.智能仪表类成品保修4年,7天退货货,一辈子维修服务。(由人损伤不保修範圍,个性定制成品无重量故障 不返没换。)3.因质量问题造成的退换货,J9.COM将承担退换货运费。非质量问题退换货费用将由客户承担。
注:质量问题是指功能,尺寸、指标、安装方式等定制参数未按照客户提出的要求定制,功能不符,尺寸误差,精度不准(误差范围内除外)。
定制产品需双方确认图纸后加工生产,如产品不符合客户要求需在二周内提出书面异议,客户未按规定期限提出异议视为验收合格。
如在期限内提出异议,双方确认后确属产品质量问题或未按双方确认后的要求生产,可调换或退款。如无质量问题,且发货型号与合同签订型号完整无误,则不提供退换货服务。
售后咨询
技艺谘询、返厂维护保养、专用发票、网络投诉改进措施等相关联事情。售后维修精准服务精准服务电语021-51601181
公司企业大家号
各个企业逗音号
各个企业视頻号
中小型企业社交平台
企业主和聚美优品