
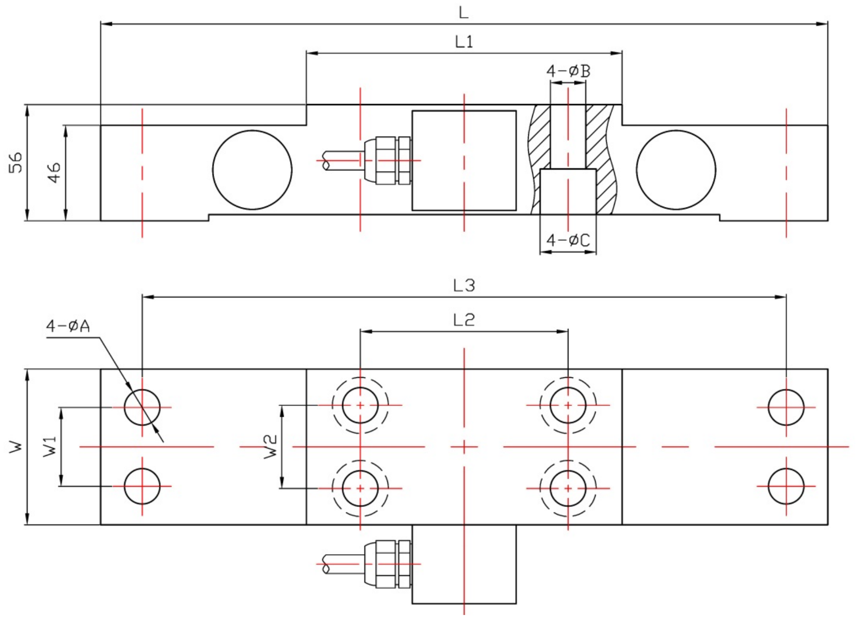
| 量 程 | L | L1 | L2 | L3 | W | W1 | W2 | 4-ΦA | 4-ΦB | 4-ΦC |
| 1.5t | 350 | 152 | 100 | 310 | 75 | 38 | 40 | Φ17 | Φ17 | Φ27x22 |
| 2.5t | 410 | 182 | 130 | 355 | 100 | 50 | 60 | Φ21 | Φ17 | Φ27x22 |
| 4~10t | 410 | 212 | 160 | 355 | 100 | 50 | 60 | Φ21 | Φ17 | Φ27x22 |
| 15~20t | 520 | 219 | 150 | 440 | 145 | 100 | 100 | Φ26 | Φ26 | Φ39x32 |
传感器接线示意图: 传感器受力图:


| 参 数 | 技术参数 | 参 数 | 技术参数 |
| 量程 | 1.5t~20t | 输出电阻 | 700±5Ω |
| 输出灵敏度 | 1.0~1.5±0.05mV/V | 工作温度范围 | -20~+70℃ |
| 非线性 | ±0.1~±0.3%F.S. | 安全过载 | 150%F·S |
| 滞后误差 | ±0.1%F.S. | 绝缘电阻 | ≥2000MΩ |
| 重复性误差 | ±0.1%F.S. | 激励电压 | 5V~12V |
| 蠕变 | ±0.05%F.S. | 防护等级 | IP66 |
| 零点温度系数 | ±0.05%F.S./10℃ | 材质 | 合金钢 |
| 灵敏度温度系数 | ±0.05%F.S./10℃ | 线缆 | Φ5x3m |
| 输入电阻 | 750±30Ω |
1.J9.COM为客户提供安装调试服务,以及其他技术咨询,必要时技术人员可上门提供技术培训。客户如有技术上疑问,技术人员将在4个小时内给出回复。
2.J9.COM车辆严厉是以ISO9001国际联盟高的品质风险管理体系设计构思产量,调节器器车辆整车的品质保证两年.多功能仪表类车辆整车的品质保证两年,7天退货货,一辈子修补。(人为性磨损没有在整车的品质保证规模,全屋定制车辆无高的品质间题拒退没换。)3.因质量问题造成的退换货,J9.COM将承担退换货运费。非质量问题退换货费用将由客户承担。
注:质量问题是指功能,尺寸、指标、安装方式等定制参数未按照客户提出的要求定制,功能不符,尺寸误差,精度不准(误差范围内除外)。
定制产品需双方确认图纸后加工生产,如产品不符合客户要求需在二周内提出书面异议,客户未按规定期限提出异议视为验收合格。
如在期限内提出异议,双方确认后确属产品质量问题或未按双方确认后的要求生产,可调换或退款。如无质量问题,且发货型号与合同签订型号完整无误,则不提供退换货服务。
售后咨询
科技咨询了解、返厂维修部、税票、匿名举报最好等有关的话题。售后维修服务的服务的电活021-51601181
企业大众号
企业主小咖秀号
企业视频播放号
企业消息
中小型企业微博书