螺栓预紧力传感器低外形,抗偏载,强度好,结构紧凑,综合精度高,长期稳定性好,便于安装,防护等级IP65。螺栓作为机械结构中连接零部件的核心紧固件,其预紧力的大小直接影响设备的稳定性、安全性和使用寿命。螺栓预紧力传感器是一种专门用于精确测量螺栓在紧固过程中及工作状态下预紧力大小的装置,通过实时监测预紧力数值,可有效避免因预紧力不足导致的连接松动或预紧力过大引发的螺栓断裂等问题。
广泛应用于万能材料试验机、料斗秤、吊钩秤、包装秤、皮带秤、插拔力测试仪等自动化设备。

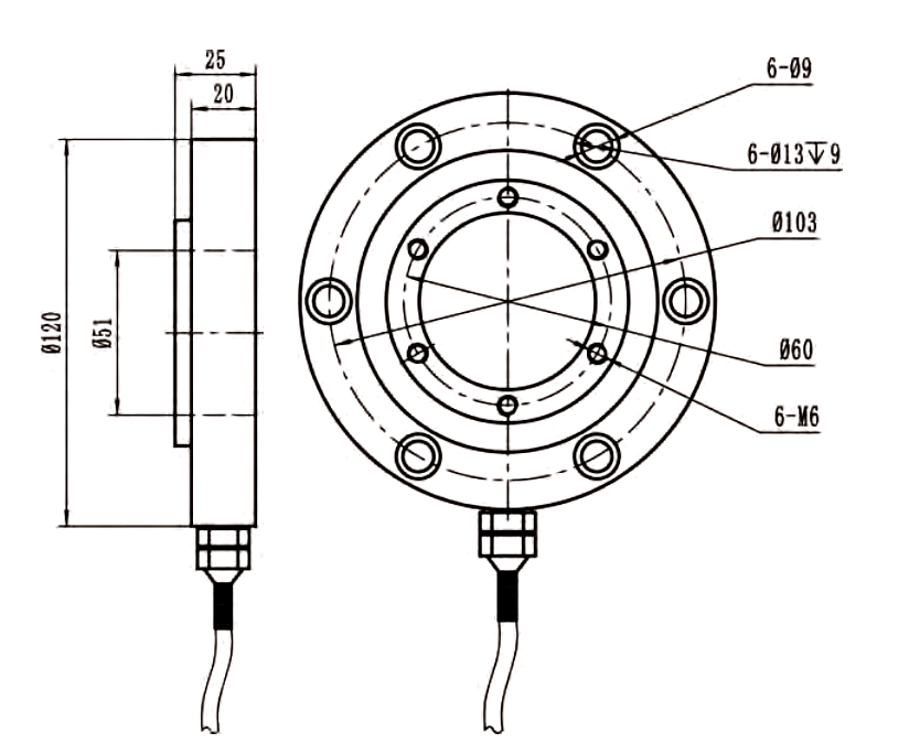
传感器接线示意图: 传感器受力图:


| 参 数 | 技术参数 | 参 数 | 技术参数 |
| 量程 | 50~5000KG | 材质 | 不锈钢 |
| 输出灵敏度 | 2.0±10%mV/V | 阻抗 | 700Ω |
| 零点输出 | ±2%F.S. | 绝缘电阻 | ≥5000MΩ/100VDC |
| 非线性 | 0.5%F.S. | 使用电压 | 5~10V |
| 滞后 | 0.3%F.S. | 工作温度范围 | -20~80℃ |
| 重复性 | 0.3%F.S. | 安全过载 | 120% |
| 蠕变(30分钟) | 0.1%F.S. | 极限过载 | 150% |
| 温度灵敏度漂移 | 0.05%F.S./10℃ | 电缆线规格 | Φ5x2m |
| 零点温度漂移 | 0.05%F.S./10℃ | 线缆极限拉力 | 10kg |
| 响应频率 | 10kHz |
1.J9.COM为客户提供安装调试服务,以及其他技术咨询,必要时技术人员可上门提供技术培训。客户如有技术上疑问,技术人员将在4个小时内给出回复。
2.J9.COM服务设备认真可以依照ISO9001国际上高效率机制方案生产的,感知器服务设备保修期半年.智能仪表类服务设备保修期4年,7天包换货,无期限维修部。(故意损伤不见保修期领域,定制开发服务设备无高效率状况不降没换。)3.因质量问题造成的退换货,J9.COM将承担退换货运费。非质量问题退换货费用将由客户承担。
注:质量问题是指功能,尺寸、指标、安装方式等定制参数未按照客户提出的要求定制,功能不符,尺寸误差,精度不准(误差范围内除外)。
定制产品需双方确认图纸后加工生产,如产品不符合客户要求需在二周内提出书面异议,客户未按规定期限提出异议视为验收合格。
如在期限内提出异议,双方确认后确属产品质量问题或未按双方确认后的要求生产,可调换或退款。如无质量问题,且发货型号与合同签订型号完整无误,则不提供退换货服务。
售后咨询
技能在线咨询、返厂维修保障、增值税发票、客户投诉个人建议等涉及到情况。售后维修保障保障热线电话021-51601181
品牌人们号
厂家快手视频号
企业的视频图片号
公司企业消息
厂家小丽书