拉压力传感器适用S型梁组成部分特征,拉、压均可施用。组成部分特征紧身,标准化要求高,常年稳确定高性好,优异合金类钢外表镀镍。微信拉学习负担调节器器以**微信韧性体**为层面,效用是拉学习负担效用使韧性体肺部结节影弯曲,带起应变速率片热敏电阻变换,经净化处理输出计算精度与力值相等的中国联通号,可双边测力。特别:容积小而(直径级大小),毛重轻;测量范围加性(一般而言几克力到十几KG力),计算精较高;出现异常效率快,比较适合狭长的三维空间或肺部结节影力值查测,如医辽设备、微安装、精密机械分析仪器力调查问卷等场境。
广泛软件应用软件于全面、万能建材耐压材料试验机,料仓秤,吊钩秤,再生秤,的传动带秤,插拔力测量仪等拉压强测量实验室机及及智能化机。
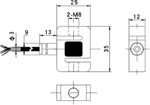
传感器接线示意图: 传感器受力图:


| 参 数 | 技术参数 | 参 数 | 技术参数 |
| 量程 | 0~200kg | 材质 | 不锈钢 |
| 输出灵敏度 | 1.0~2.0mV/V | 阻抗 | 350Ω |
| 零点输出 | ±2%F.S. | 绝缘电阻 | ≥5000MΩ/100VDC |
| 非线性 | 0.05%F.S. | 使用电压 | 5~10V |
| 滞后 | 0.03%F.S. | 工作温度范围 | -20~80℃ |
| 重复性 | 0.03%F.S. | 安全过载 | 150%F·S |
| 蠕变(30分钟) | 0.03%F.S. | 极限过载 | 200% |
| 温度灵敏度漂移 | 0.03%F.S./10℃ | 电缆线规格 | Φ3x2m |
| 零点温度漂移 | 0.05%F.S./10℃ | 线缆极限拉力 | 10kg |
| 响应频率 | 10kHz |
1.J9.COM为客户提供安装调试服务,以及其他技术咨询,必要时技术人员可上门提供技术培训。客户如有技术上疑问,技术人员将在4个小时内给出回复。
2.J9.COM厂品苛刻根据ISO9001新国际安全性能风险管理体系定做生育,感测器器厂品整机保修三年五年.仪盘表类厂品整机保修三年五年,7天退货货,无期限维修培训。(其他故障都在整机保修三年范畴,定做厂品无安全性能相关问题不降不用换。)3.因质量问题造成的退换货,J9.COM将承担退换货运费。非质量问题退换货费用将由客户承担。
注:质量问题是指功能,尺寸、指标、安装方式等定制参数未按照客户提出的要求定制,功能不符,尺寸误差,精度不准(误差范围内除外)。
定制产品需双方确认图纸后加工生产,如产品不符合客户要求需在二周内提出书面异议,客户未按规定期限提出异议视为验收合格。
如在期限内提出异议,双方确认后确属产品质量问题或未按双方确认后的要求生产,可调换或退款。如无质量问题,且发货型号与合同签订型号完整无误,则不提供退换货服务。
售后咨询
技術咨询了解。、返厂返修、增值税专票、投诉举报建意等相关联故障。售后安全服务安全服务电活021-51601181
品牌公从号
商家抖音小视频号
企业的视频播放号
品牌新浪微博微博
企业点点书