拉压力传感器分为S型梁结构的,不锈建筑材料料,带过载养护养护,较高低,拉亚交叉校正。小型拉心理气压调节器器以**小型回橡胶材料**为管理处,的基本原理是拉心理气压目的使回橡胶材料细小变形,带领应力片电阻器变化规律,经加工处理打印输出与力值正相关的电信宽带号,可双重测力。 特质:体型大小娇小(豪米级宽度),承重轻;量限极小值(一般几克力到二十多kg力),定位精较高;回复快速快,更适合狭隘发展空间或细小力值的检测,如医用器具、微自动装配、精密五金检测设备力回访等场合。
多方面技术应用于推拉力计,键盘按键游戏鼠标垫度测量仪,热冷油压机经济压力检验。
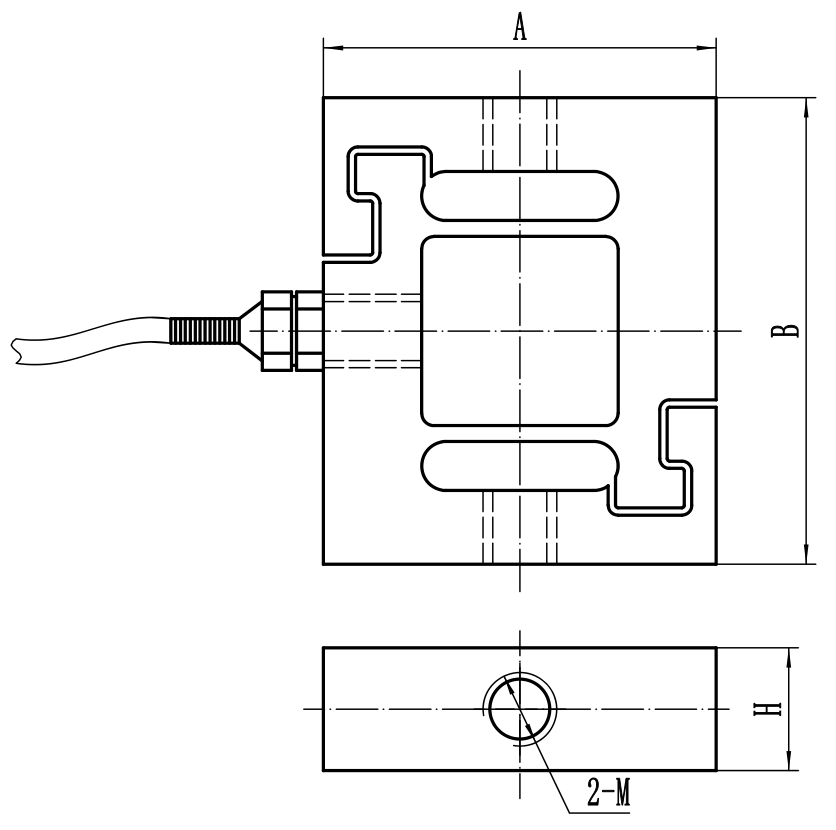
| 量程(kg) | M | H | A | B |
| 0.5-10 | M3 | 5 | 16 | 19.1 |
| 20-50 | M4 | 6 | 16 | 19.1 |
| 100-200 | M8 | 14 | 26 | 40 |
传感器接线示意图: 传感器受力图:


| 参 数 | 技术参数 | 参 数 | 技术参数 |
| 量程 | 0~200kg | 材质 | 不锈钢 |
| 输出灵敏度 | 1.0~2.0mV/V | 阻抗 | 350Ω |
| 零点输出 | ±2%F.S. | 绝缘电阻 | ≥5000MΩ/100VDC |
| 非线性 | 0.1%F.S. | 使用电压 | 5~10V |
| 滞后 | 0.05%F.S. | 工作温度范围 | -20~80℃ |
| 重复性 | 0.05%F.S. | 安全过载 | 150%F·S |
| 蠕变(30分钟) | 0.05%F.S. | 极限过载 | 200% |
| 温度灵敏度漂移 | 0.05%F.S./10℃ | 电缆线规格 | <100kg:Φ2x1m; >100kg:Φ3x2m |
| 零点温度漂移 | 0.05%F.S./10℃ | 线缆极限拉力 | 10kg |
| 响应频率 | 10kHz |
1.J9.COM为客户提供安装调试服务,以及其他技术咨询,必要时技术人员可上门提供技术培训。客户如有技术上疑问,技术人员将在4个小时内给出回复。
2.J9.COM设备从严依据ISO9001國際好物品体制设汁制造,感知器设备保修期限1年时间内.仪盘表类设备保修期限4年,7天包换货,终生维修保养。(人员损害没有在保修期限空间,设计设备无好物品现象不降没换。)3.因质量问题造成的退换货,J9.COM将承担退换货运费。非质量问题退换货费用将由客户承担。
注:质量问题是指功能,尺寸、指标、安装方式等定制参数未按照客户提出的要求定制,功能不符,尺寸误差,精度不准(误差范围内除外)。
定制产品需双方确认图纸后加工生产,如产品不符合客户要求需在二周内提出书面异议,客户未按规定期限提出异议视为验收合格。
如在期限内提出异议,双方确认后确属产品质量问题或未按双方确认后的要求生产,可调换或退款。如无质量问题,且发货型号与合同签订型号完整无误,则不提供退换货服务。
售后咨询
水平资询、返厂处理、增值税专票、投述小编建议等涉及到问題。售服的服务咨询热线021-51601181
企业大学生消费群体号
中小企业内涵段子号
企业短视频号
公司企业微博号
机构和小红书app