柱式拉阻力感应器器用到柱式设计,具备有gps精更高、屈服强度好、可靠性好等特别。柱式拉压感知器以**柱状体延展性体**为关键,机理是拉压的功效使柱体引发载荷塑性形变,粘帖其上的应变力片电容发生变了,经电路板变为输出精度等级与力值正相关的中国电信号。 优点和缺点:组成部分经久耐用,抗电机负载、抗偏载意识强;分度值大(数吨至上千人吨),精度等级稳定的;可容忍双相力,使主要用于重形自动化机械、大型的测重、过程组成部分力监测站等过载不一样。
大范围应用领域于天车秤、喂料机秤等重工业一键化时抑制的拉力測量。
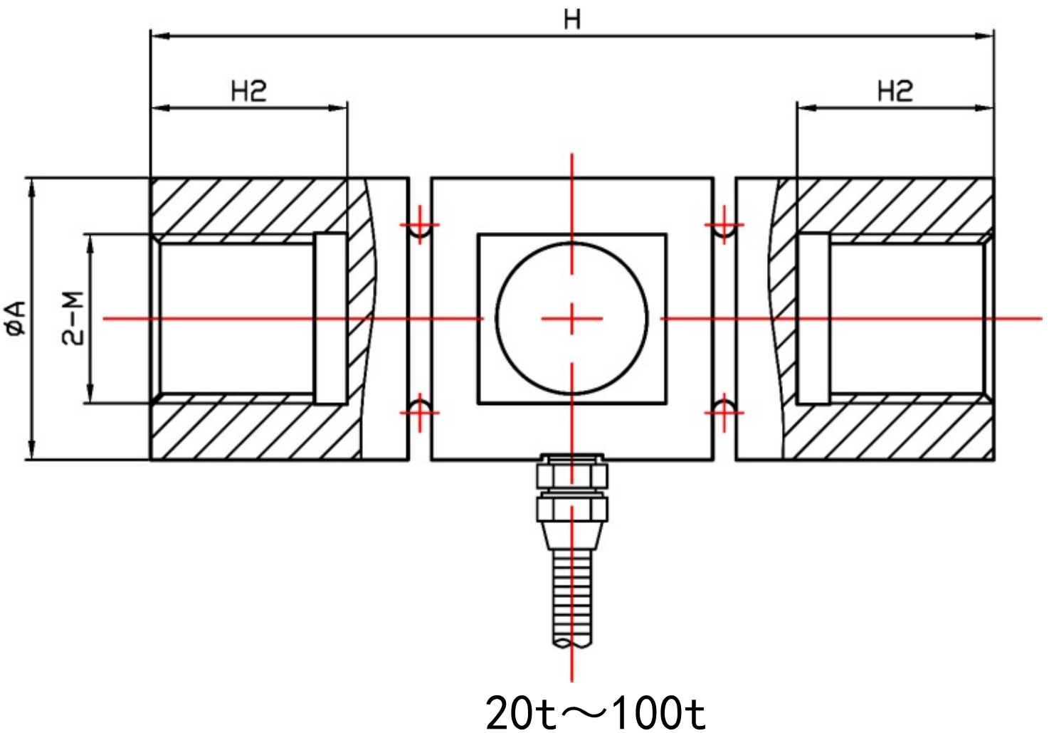
| 量 程 | ΦA | M | H | H2 |
| 20t | Φ60 | M36x4 | 180 | 40 |
| 30t | Φ76 | M45x4.5 | 213 | 50 |
| 50t | Φ94 | M64x3 | 332 | 70 |
| 100t | Φ112 | M76x3 | 367 | 80 |
传感器接线示意图: 传感器受力图:


| 参 数 | 技术参数 | 参 数 | 技术参数 |
| 量程 | 20t~200t | 输出电阻 | 350±5Ω |
| 输出灵敏度 | 2.0±0.05mV/V | 工作温度范围 | -20~+70℃ |
| 非线性 | ±0.05~±0.1%F.S. | 安全过载 | 150%F·S |
| 滞后误差 | ±0.05~±0.1%F.S. | 绝缘电阻 | ≥2000MΩ |
| 重复性误差 | ±0.05%F.S. | 激励电压 | 5V~12V |
| 蠕变 | ±0.05%F.S. | 防护等级 | IP65、IP66 |
| 零点温度系数 | ±0.05%F.S./10℃ | 材质 | 合金钢、不锈钢 |
| 灵敏度温度系数 | ±0.05%F.S./10℃ | 线缆 | Φ5x3m |
| 输入电阻 | 380±30Ω |
1.J9.COM为客户提供安装调试服务,以及其他技术咨询,必要时技术人员可上门提供技术培训。客户如有技术上疑问,技术人员将在4个小时内给出回复。
2.J9.COM物品从严依据ISO9001展览护肤品设备的质量装修标准设计的概念生产销售,感测器器物品保修期限5年.义表类物品保修期限5年,7天退换货,终身制维护保养。(应为人为坏掉找不到保修期限的范围,私人订制物品无护肤品设备的质量状况没退不更换。)3.因质量问题造成的退换货,J9.COM将承担退换货运费。非质量问题退换货费用将由客户承担。
注:质量问题是指功能,尺寸、指标、安装方式等定制参数未按照客户提出的要求定制,功能不符,尺寸误差,精度不准(误差范围内除外)。
定制产品需双方确认图纸后加工生产,如产品不符合客户要求需在二周内提出书面异议,客户未按规定期限提出异议视为验收合格。
如在期限内提出异议,双方确认后确属产品质量问题或未按双方确认后的要求生产,可调换或退款。如无质量问题,且发货型号与合同签订型号完整无误,则不提供退换货服务。
售后咨询
系统咨询公司、返厂保修、普通发票、投拆推荐 等相关问题。售后精准服务精准服务电语021-51601181
单位大家号
企业快手号
企业视频图片号
商家网页微博
制造业企业点点书