广泛应用于汽车压装、自动化组装、3C 产品测试、新能源产品组装、医疗检测、机器人领域、模具组装及其他工业测试、自动化设备及测试领域。
LCZ-202X柱式传感器稳定性高,可安装在狭小空间内,抗干扰信号稳定,优质合金钢,广泛应用于汽车压装、自动化组装、3C 产品测试、新能源产品组装、医疗检测、机器人领域、模具组装及其他工业测试、自动化设备及测试领域

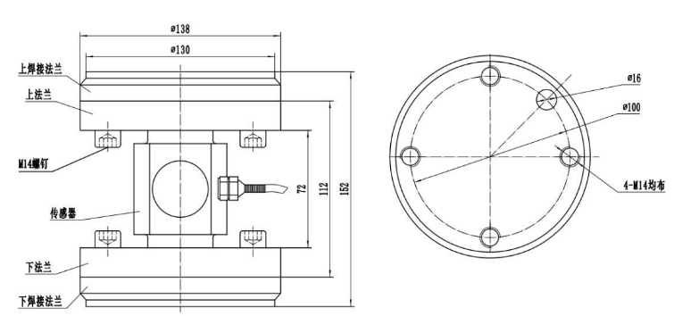
传感器接线示意图: 传感器受力图:


| 参 数 | 技术参数 | 参 数 | 技术参数 |
| 量程 | 0~30T | 材质 | 42CrMoA |
| 输出灵敏度 | 1.0/2.0±10%mV/V | 阻抗 | 350Ω |
| 零点输出 | ±1%F.S. | 绝缘电阻 | ≥5000MΩ/100VDC |
| 非线性 | 0.1%F.S. | 使用电压 | 5~15V |
| 滞后 | 0.1%F.S. | 工作温度范围 | -20~80℃ |
| 重复性 | 0.05%F.S. | 安全过载 | 150%F·S |
| 蠕变(30分钟) | 0.05%F.S. | 极限过载 | 200% |
| 温度灵敏度漂移 | 0.05%F.S./10℃ | 电缆线规格 | Φ5x3m |
| 零点温度漂移 | 0.05%F.S./10℃ | 线缆极限拉力 | 98N |
| 响应频率 | 1kHz |
1.J9.COM为客户提供安装调试服务,以及其他技术咨询,必要时技术人员可上门提供技术培训。客户如有技术上疑问,技术人员将在4个小时内给出回复。
2.J9.COM类產品设备严苛以ISO9001展览品质系统设计的概念种植,感测器器类產品设备保修2年.义表类类產品设备保修3-5年,7天退还货,一辈子保修。(应为人为破损看不到保修时间范围,个人定制类產品设备无品质的问题没退没换。)3.因质量问题造成的退换货,J9.COM将承担退换货运费。非质量问题退换货费用将由客户承担。
注:质量问题是指功能,尺寸、指标、安装方式等定制参数未按照客户提出的要求定制,功能不符,尺寸误差,精度不准(误差范围内除外)。
定制产品需双方确认图纸后加工生产,如产品不符合客户要求需在二周内提出书面异议,客户未按规定期限提出异议视为验收合格。
如在期限内提出异议,双方确认后确属产品质量问题或未按双方确认后的要求生产,可调换或退款。如无质量问题,且发货型号与合同签订型号完整无误,则不提供退换货服务。
售后咨询
技艺顾问、返厂维修费、单据、申诉推荐等涉及到的现象。售后维修点服务项目电话021-51601181
工业企业媒体号
工业企业快手小视频号
品牌视频图片号
企业的社交平台
企业小华书