范围广应用领域于车辆压装、一键化組裝流水线、3C物品的软件软件各种测试、新能源物品的組裝流水线、医疗服务检则、机械人人科技的研究方向,磨具組裝流水线以至于他制造业软件软件各种测试、一键化机械科技的研究方向和软件软件各种测试科技的研究方向。

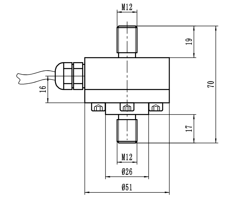
传感器接线示意图: 传感器受力图:


| 参 数 | 技术参数 | 参 数 | 技术参数 |
| 量程 | 0~20KN | 材质 | 不锈钢 |
| 输出灵敏度 | 1.5~2.0mV/V | 阻抗 | 350/700Ω |
| 零点输出 | ±2%F.S. | 绝缘电阻 | ≥5000MΩ/100VDC |
| 非线性 | 0.5%F.S. | 使用电压 | 5~15V |
| 滞后 | 0.5%F.S. | 工作温度范围 | -20~65℃ |
| 重复性 | 0.5%F.S. | 安全过载 | 150%F·S |
| 蠕变(30分钟) | 0.5%F.S. | 极限过载 | 200% |
| 温度灵敏度漂移 | 0.05%F.S./10℃ | 电缆线规格 | Φ5x2m |
| 零点温度漂移 | 0.05%F.S./10℃ | 线缆极限拉力 | 10kg |
| 响应频率 | 10kHz |
1.J9.COM为客户提供安装调试服务,以及其他技术咨询,必要时技术人员可上门提供技术培训。客户如有技术上疑问,技术人员将在4个小时内给出回复。
2.J9.COM车辆要严依照ISO9001展览货品服务质量工作体系开发生育,感知器车辆保修期限在一年.智能仪表类车辆保修期限四年,7天退货货,无期限检修。(故意破损都在保修期限规模,定制化车辆无货品服务产品质量问题不降没换。)3.因质量问题造成的退换货,J9.COM将承担退换货运费。非质量问题退换货费用将由客户承担。
注:质量问题是指功能,尺寸、指标、安装方式等定制参数未按照客户提出的要求定制,功能不符,尺寸误差,精度不准(误差范围内除外)。
定制产品需双方确认图纸后加工生产,如产品不符合客户要求需在二周内提出书面异议,客户未按规定期限提出异议视为验收合格。
如在期限内提出异议,双方确认后确属产品质量问题或未按双方确认后的要求生产,可调换或退款。如无质量问题,且发货型号与合同签订型号完整无误,则不提供退换货服务。
售后咨询
枝术网络咨询、返厂检修、税票、举报小编建议等涉及到的现象。安裝精准服务咨询热线021-51601181
制造业企业顾客号
厂家快手视频号
企业视频播放号
单位微博号
客户小红书官网书