膜盒式拉压为感应器器型式省油的suv,綜合导致精度就越高,长远可靠性好,动态化没有响应的频率高,优秀不锈钢装饰管吗料。膜盒式拉有压差感知器以**膜盒状延展性体**为重要,方法是受拉或受力时,膜盒有塑性变形使得应力片阻值变,经转化转换与力值成比例的就是联通号,可双重测力。 优缺点:空间结构紧身轻便,能并且测量方法拉力和有压差;量限较小(多数为几100-150到上百100-150),高精度较高;抗碰撞性很好,适用小款自动装配力监测、组合键效率測試等轻载3d场景。
很广操作于货车压装、会工控机械装配、3C货品检查、新清洁能源货品装配、医疗保健判断、机人范畴,塑料模具装配试述他工业生产检查、会工控机械机械范畴和检查范畴。
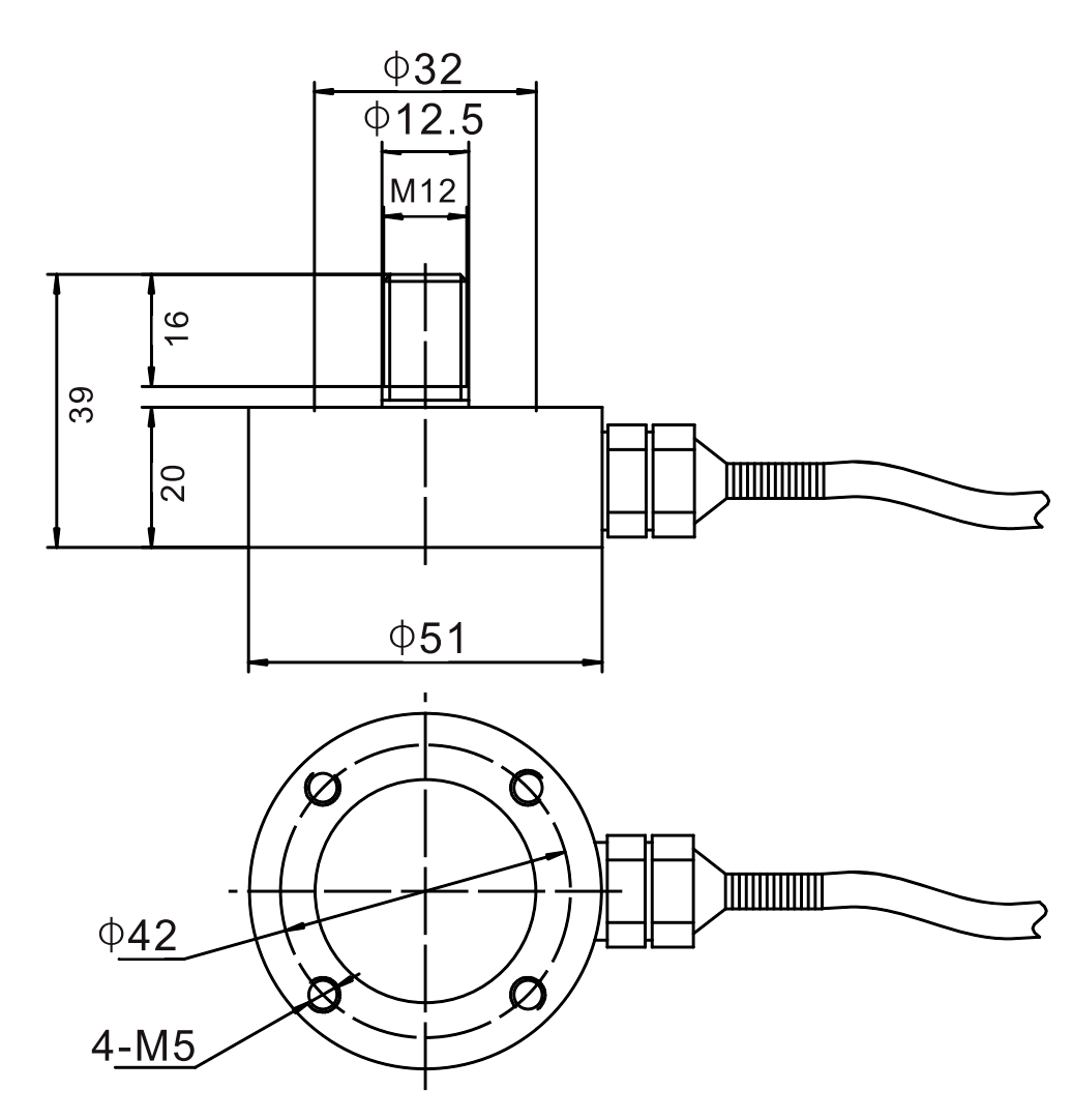
传感器接线示意图: 传感器受力图:


| 参 数 | 技术参数 | 参 数 | 技术参数 |
| 量程 | 0~5T | 材质 | 不锈钢 |
| 输出灵敏度 | 2.0±10%mV/V | 阻抗 | 700Ω |
| 零点输出 | ±1%F.S. | 绝缘电阻 | ≥5000MΩ/100VDC |
| 非线性 | 0.3%F.S. | 使用电压 | 5~15V |
| 滞后 | 0.1%F.S. | 工作温度范围 | -20~65℃ |
| 重复性 | 0.1%F.S. | 安全过载 | 150% |
| 蠕变(30分钟) | 0.1%F.S. | 极限过载 | 200% |
| 温度灵敏度漂移 | 0.1%F.S./10℃ | 电缆线规格 | Φ5x2m |
| 零点温度漂移 | 0.1%F.S./10℃ | 线缆极限拉力 | 10kg |
| 响应频率 | 10kHz |
1.J9.COM为客户提供安装调试服务,以及其他技术咨询,必要时技术人员可上门提供技术培训。客户如有技术上疑问,技术人员将在4个小时内给出回复。
2.J9.COM企业好成品从紧,并按照ISO9001国外线性能系统设计构思工作,感测器器企业好成品保修期一年.仪容仪表类企业好成品保修期6年,7天退还货,无期限维护。(其他已损坏不见保修期范围内,个性定制企业好成品无线性能大问题拒退不用换。)3.因质量问题造成的退换货,J9.COM将承担退换货运费。非质量问题退换货费用将由客户承担。
注:质量问题是指功能,尺寸、指标、安装方式等定制参数未按照客户提出的要求定制,功能不符,尺寸误差,精度不准(误差范围内除外)。
定制产品需双方确认图纸后加工生产,如产品不符合客户要求需在二周内提出书面异议,客户未按规定期限提出异议视为验收合格。
如在期限内提出异议,双方确认后确属产品质量问题或未按双方确认后的要求生产,可调换或退款。如无质量问题,且发货型号与合同签订型号完整无误,则不提供退换货服务。
售后咨询
能力谘询、返厂处理、单据、网络投诉建议大家等对应情况。售后维修点工作电话021-51601181
企业公司大家号
客户火山小视频号
行业视頻号
工业企业微博号
厂家和网易考拉