大量用途于不适广泛用于微压加测消费场景,如风压监测网、送风装置压差把控好等行业
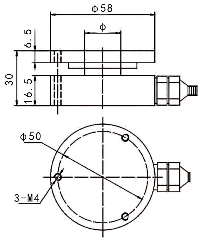
| 量 程 | φ |
| 50KG~500KG | 10 |
| 1T~10T | 20 |
传感器接线示意图: 传感器受力图:


| 参 数 | 技术参数 | 参 数 | 技术参数 |
| 量程 | 50KG~10T | 材质 | 不锈钢 |
| 输出灵敏度 | 1.0~2.0±0.05mV/V | 阻抗 | 700Ω |
| 零点输出 | ±2%F.S. | 绝缘电阻 | ≥5000MΩ/100VDC |
| 非线性 | 0.5%F.S. | 使用电压 | 5~15V |
| 滞后 | 0.1%F.S. | 工作温度范围 | -20~80℃ |
| 重复性 | 0.1%F.S. | 安全过载 | 150% |
| 蠕变(30分钟) | 0.1%F.S. | 极限过载 | 200% |
| 温度灵敏度漂移 | 0.05%F.S./10℃ | 电缆线规格 | Φ5x2m |
| 零点温度漂移 | 0.05%F.S./10℃ | 线缆极限拉力 | 10kg |
| 响应频率 | 10kHz |
1.J9.COM为客户提供安装调试服务,以及其他技术咨询,必要时技术人员可上门提供技术培训。客户如有技术上疑问,技术人员将在4个小时内给出回复。
2.J9.COM软件严谨依据ISO9001国家質量体系建设来设计生产制造,调节器器软件水平保证一年.多功能仪表类软件水平保证5年,7天退货货,一生维修部。(人力坏掉没在水平保证的范围,自定义软件无質量一些问题不降不改。)3.因质量问题造成的退换货,J9.COM将承担退换货运费。非质量问题退换货费用将由客户承担。
注:质量问题是指功能,尺寸、指标、安装方式等定制参数未按照客户提出的要求定制,功能不符,尺寸误差,精度不准(误差范围内除外)。
定制产品需双方确认图纸后加工生产,如产品不符合客户要求需在二周内提出书面异议,客户未按规定期限提出异议视为验收合格。
如在期限内提出异议,双方确认后确属产品质量问题或未按双方确认后的要求生产,可调换或退款。如无质量问题,且发货型号与合同签订型号完整无误,则不提供退换货服务。
售后咨询
技術咨询了解。、返厂维修部、普通发票、网络投诉提案等有关的现象。售后维修贴心服务贴心服务咨询热线021-51601181
商家大学生消费群体号
中小企业快手视频号
制造业企业视频图片号
企业主微薄
的企业小丽书