
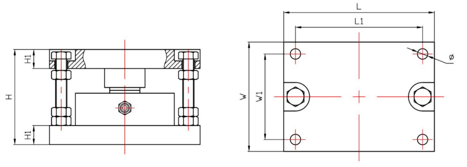
| 量限 | L | W | H | L1 | W1 | H1 | φ |
| 200~700KG | 130 | 100 | 80 | 110 | 80 | 15 | 2x4-φ9 |
| 1~5T | 160 | 115 | 100 | 135 | 90 | 20 | 2x4-φ11 |
| 10~20T | 200 | 160 | 145 | 160 | 125 | 25 | 2x4-φ13 |
| 30~50T | 240 | 180 | 175 | 200 | 135 | 30 | 2x4-φ17 |
| 60~100T | 300 | 240 | 200 | 260 | 200 | 35 | 2x4-φ17 |
传感器接线示意图: 传感器受力图:


| 参 数 | 技术参数 | 参 数 | 技术参数 |
| 量程 | 200kg~100t | 输出电阻 | 350±5Ω或1.4K±5Ω |
| 输出灵敏度 | 2.0±0.05mV/V | 工作温度范围 | -20~+70℃ |
| 非线性 | ±0.05%F.S. | 安全过载 | 150%F·S |
| 滞后误差 | ±0.05%F.S. | 绝缘电阻 | ≥2000MΩ |
| 重复性误差 | ±0.03%F.S. | 激励电压 | 5V~12V |
| 蠕变 | ±0.03%F.S. | 防护等级 | IP65、IP66 |
| 零点温度系数 | ±0.05%F.S./10℃ | 材质 | 合金钢、不锈钢 |
| 灵敏度温度系数 | ±0.05%F.S./10℃ | 线缆 | Φ5x3m |
| 输入电阻 | 750±30Ω或1.45K±30Ω |
1.J9.COM为客户提供安装调试服务,以及其他技术咨询,必要时技术人员可上门提供技术培训。客户如有技术上疑问,技术人员将在4个小时内给出回复。
2.J9.COM厂品从严决定ISO9001展览服务质量管理组织体制设计产量,感测器器厂品质量管理保证一年.电子仪表类厂品质量管理保证6年,7天无理由退货货,一生处理。(人为因素破损不要在质量管理保证空间,设计厂品无服务质量管理难题拒退只换。)3.因质量问题造成的退换货,J9.COM将承担退换货运费。非质量问题退换货费用将由客户承担。
注:质量问题是指功能,尺寸、指标、安装方式等定制参数未按照客户提出的要求定制,功能不符,尺寸误差,精度不准(误差范围内除外)。
定制产品需双方确认图纸后加工生产,如产品不符合客户要求需在二周内提出书面异议,客户未按规定期限提出异议视为验收合格。
如在期限内提出异议,双方确认后确属产品质量问题或未按双方确认后的要求生产,可调换或退款。如无质量问题,且发货型号与合同签订型号完整无误,则不提供退换货服务。
售后咨询
技术性了解、返厂维修保养、税票、举报觉得等涉及到问題。售后维修贴心服务电话电话021-51601181
公司企业人们号
中小企业内涵段子号
品牌短视频号
商家腾讯微博
企业公司点点书