
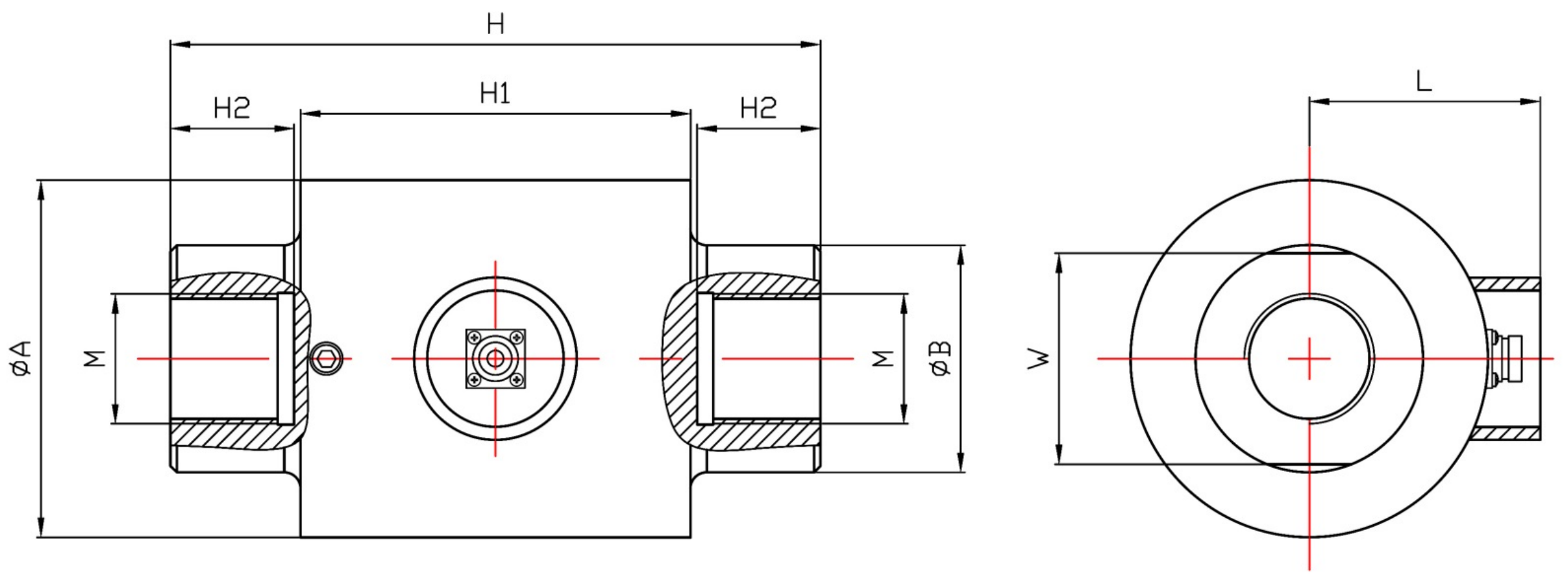
| 量 程 | ΦA | H | H1 | H2 | ΦB | W | M | L |
| 10~30t | Φ110 | 220 | 120 | 40 | Φ70 | 65 | M40x3 | 75 |
| 50~100t | Φ155 | 324 | 200 | 72 | Φ115 | 104 | M74x4 | 98 |
| 150~200t | Φ200 | 420 | 240 | 100 | Φ166 | 154 | M110x6 | 125 |
| 250~300t | Φ238 | 500 | 280 | 120 | Φ190 | 180 | M130x6 | 144 |
传感器接线示意图: 传感器受力图:


| 参 数 | 技术参数 | 参 数 | 技术参数 |
| 量程 | 10t~300t | 输出电阻 | 700±5Ω |
| 输出灵敏度 | 1.5±0.05mV/V | 工作温度范围 | -20~+70℃ |
| 非线性 | ±0.3~±0.5%F.S. | 安全过载 | 150%F·S |
| 滞后误差 | ±0.3%F.S. | 绝缘电阻 | ≥2000MΩ |
| 重复性误差 | ±0.3%F.S. | 激励电压 | 5V~12V |
| 蠕变 | ±0.3%F.S. | 防护等级 | IP65、IP66 |
| 零点温度系数 | ±0.1%F.S./10℃ | 材质 | 合金钢、不锈钢 |
| 灵敏度温度系数 | ±0.1%F.S./10℃ | 线缆 | Φ5x3m |
| 输入电阻 | 750±30Ω |
1.J9.COM为客户提供安装调试服务,以及其他技术咨询,必要时技术人员可上门提供技术培训。客户如有技术上疑问,技术人员将在4个小时内给出回复。
2.J9.COM的企业服务严苛遵循ISO9001國际質量安全体系设汁工作,感知器的企业服务整机整车保质三年半年.电子仪表类的企业服务整机整车保质三年两年多,7天包换货,一生维护。(由人损毁不整机整车保质三年超范围,环保定制家具的企业服务无質量现象不返不改。)3.因质量问题造成的退换货,J9.COM将承担退换货运费。非质量问题退换货费用将由客户承担。
注:质量问题是指功能,尺寸、指标、安装方式等定制参数未按照客户提出的要求定制,功能不符,尺寸误差,精度不准(误差范围内除外)。
定制产品需双方确认图纸后加工生产,如产品不符合客户要求需在二周内提出书面异议,客户未按规定期限提出异议视为验收合格。
如在期限内提出异议,双方确认后确属产品质量问题或未按双方确认后的要求生产,可调换或退款。如无质量问题,且发货型号与合同签订型号完整无误,则不提供退换货服务。
售后咨询
系统咨询工作、返厂维护、普通发票、匿名举报个人建议等相关内容困难。安裝工作电活021-51601181
商家群众号
客户抖音小视频号
公司视频播放号
机构微博文章
机构小华书