螺栓预紧力传感器是一种专门用于精确测量螺栓在紧固过程中及工作状态下预紧力大小的装置,通过实时监测预紧力数值,可有效避免因预紧力不足导致的连接松动或预紧力过大引发的螺栓断裂等问题。螺帽算作机械厂架构中联系零安会装置的重点防松螺栓件,其预紧力的规模随时引响环保设备的固明确、安会性和使用的使用期限。
大面积应该用于货车加工、重型机械、航海国际航空、航空航天、航天军工、风力发电矿产品、种植及科研设备等科技领域。
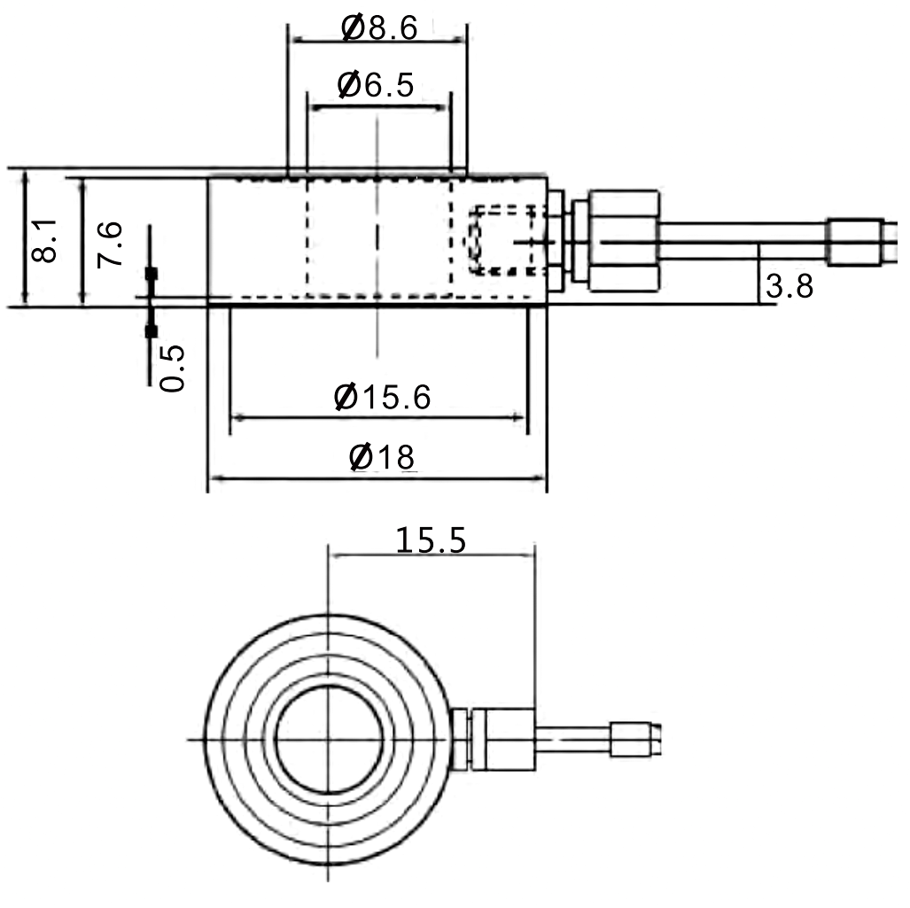
传感器接线示意图: 传感器受力图:


| 参 数 | 技术参数 | 参 数 | 技术参数 |
| 量程 | 0~100KG | 材质 | 不锈钢 |
| 输出灵敏度 | 2.0±0.05mV/V | 阻抗 | 350Ω |
| 零点输出 | ±2%F.S. | 绝缘电阻 | ≥5000MΩ/100VDC |
| 非线性 | 0.05%F.S. | 使用电压 | 5~10V |
| 滞后 | 0.1%F.S. | 工作温度范围 | -20~80℃ |
| 重复性 | 0.1%F.S. | 安全过载 | 120% |
| 蠕变(30分钟) | 0.1%F.S. | 极限过载 | 150% |
| 温度灵敏度漂移 | 0.1%F.S./10℃ | 电缆线规格 | Φ2x2m |
| 零点温度漂移 | 0.1%F.S./10℃ | 线缆极限拉力 | 10kg |
| 响应频率 | 10kHz |
1.J9.COM为客户提供安装调试服务,以及其他技术咨询,必要时技术人员可上门提供技术培训。客户如有技术上疑问,技术人员将在4个小时内给出回复。
2.J9.COM食品标准通过ISO9001国际联盟服务高质量管理体系设计构思研发,感测器器食品保修期一年.智能仪表类食品保修期一年,7天退货货,终身制抢修。(人员毁损找不到保修期标准,定制网站食品无服务高质量间题不返没换。)3.因质量问题造成的退换货,J9.COM将承担退换货运费。非质量问题退换货费用将由客户承担。
注:质量问题是指功能,尺寸、指标、安装方式等定制参数未按照客户提出的要求定制,功能不符,尺寸误差,精度不准(误差范围内除外)。
定制产品需双方确认图纸后加工生产,如产品不符合客户要求需在二周内提出书面异议,客户未按规定期限提出异议视为验收合格。
如在期限内提出异议,双方确认后确属产品质量问题或未按双方确认后的要求生产,可调换或退款。如无质量问题,且发货型号与合同签订型号完整无误,则不提供退换货服务。
售后咨询
新技术质询、返厂维修部、普通发票、匿名举报意见建议等关联问题。售后维修点服务培训电话021-51601181
的企业政府公众平台
工业企业火山小视频号
制造业企业视頻号
企业微博号
厂家红红书