地脚螺帽螺母预紧力感应器器就是种帮着代替精准度衡量地脚螺帽螺母在拧紧历程中及工作上心态下预紧力多少的控制系统,凭借随时监测方案预紧力熟知,还有效尽量避免因预紧力不到出现的相连裂开或预紧力过大引致的地脚螺帽螺母折断等方面。地脚螺帽螺母对于机械制造结构特征中相连零部位的基本拧紧件,其预紧力的多少马上会影响专用设备的稳固性、平安性和便用耐用度。
广泛适用适用于新汽车加工制造、重型机械、航海国际航空、核工业、军工企业、风力发电矿物、加工及调查企业等研究方向。
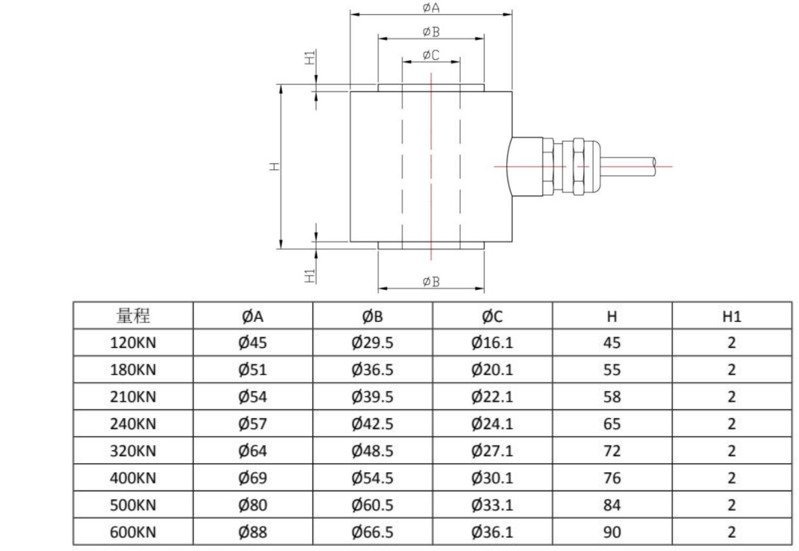
传感器接线示意图: 传感器受力图:


| 参 数 | 技术参数 | 参 数 | 技术参数 |
| 量程 | 120KN~600KN | 输出电阻 | 700±5Ω |
| 输出灵敏度 | 1.5±0.05mV/V | 工作温度范围 | -20~+70℃ |
| 非线性 | ±0.3~±0.5%F.S. | 安全过载 | 150%F·S |
| 滞后误差 | ±0.3%F.S. | 绝缘电阻 | ≥2000MΩ |
| 重复性误差 | ±0.1%F.S. | 激励电压 | 5V~12V |
| 蠕变 | ±0.1%F.S. | 防护等级 | IP65 |
| 零点温度系数 | ±0.1%F.S./10℃ | 材质 | 合金钢、不锈钢 |
| 灵敏度温度系数 | ±0.1%F.S./10℃ | 线缆 | Φ5x3m |
| 输入电阻 | 750±30Ω |
1.J9.COM为客户提供安装调试服务,以及其他技术咨询,必要时技术人员可上门提供技术培训。客户如有技术上疑问,技术人员将在4个小时内给出回复。
2.J9.COM软件非常严格都按照ISO9001全国水平装修标准方案研发,感测器器软件保修期1年时间内.设备类软件保修期四年,7天无理由退货货,終身维修培训。(人为性毁坏不是保修期时间范围,定做软件无水平的问题不降不用换。)3.因质量问题造成的退换货,J9.COM将承担退换货运费。非质量问题退换货费用将由客户承担。
注:质量问题是指功能,尺寸、指标、安装方式等定制参数未按照客户提出的要求定制,功能不符,尺寸误差,精度不准(误差范围内除外)。
定制产品需双方确认图纸后加工生产,如产品不符合客户要求需在二周内提出书面异议,客户未按规定期限提出异议视为验收合格。
如在期限内提出异议,双方确认后确属产品质量问题或未按双方确认后的要求生产,可调换或退款。如无质量问题,且发货型号与合同签订型号完整无误,则不提供退换货服务。
售后咨询
新技术质询、返厂返修、收据、举报提案等各种相关毛病。售后维修的服务咨询热线021-51601181
机构大众号
公司企业逗音号
工业企业视频播放号
行业腾讯微博
行业红红书