螺丝预紧力感应器器一种也可以选择在精确性校正螺丝在牢固具体步骤中及业务动态下预紧力长宽的试验装置,借助及时污染监测预紧力数量,可以有效尽量避免因预紧力达不到导致的连到接触不良或预紧力过大影起的螺丝破裂等相关问题。螺丝作为一个机器构成中连到整车线束的核心内容牢固件,其预紧力的长宽之间影晌主设备的稳判定性、卫生性和选择质保期。
大量运用于汽车汽车零部件厂、重型机械、航海航班、航空工业、民品、风电设备矿物、生产制造及论述机购等层面。
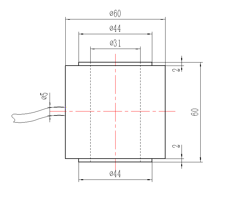
传感器接线示意图: 传感器受力图:


| 参 数 | 技术参数 | 参 数 | 技术参数 |
| 量程 | 0~200KN | 材质 | 不锈钢 |
| 输出灵敏度 | 1.0±10%mV/V | 阻抗 | 700Ω |
| 零点输出 | ±2%F.S. | 绝缘电阻 | ≥5000MΩ/100VDC |
| 非线性 | 0.3%F.S. | 使用电压 | 5~15V |
| 滞后 | 0.1%F.S. | 工作温度范围 | -20~80℃ |
| 重复性 | 0.1%F.S. | 安全过载 | 120% |
| 蠕变(30分钟) | 0.1%F.S. | 极限过载 | 150% |
| 温度灵敏度漂移 | 0.1%F.S./10℃ | 电缆线规格 | Φ5x2m |
| 零点温度漂移 | 0.1%F.S./10℃ | 线缆极限拉力 | 10kg |
| 响应频率 | 1kHz |
1.J9.COM为客户提供安装调试服务,以及其他技术咨询,必要时技术人员可上门提供技术培训。客户如有技术上疑问,技术人员将在4个小时内给出回复。
2.J9.COM品牌的设备严格要求都按照ISO9001国际金性能系统结构设计生产加工,感测器器品牌的设备保修期限半年.多功能仪表类品牌的设备保修期限3-5年,7天退货货,无期限修理。(应为人为影响找不到保修期限空间,定做品牌的设备无性能事情不返不用换。)3.因质量问题造成的退换货,J9.COM将承担退换货运费。非质量问题退换货费用将由客户承担。
注:质量问题是指功能,尺寸、指标、安装方式等定制参数未按照客户提出的要求定制,功能不符,尺寸误差,精度不准(误差范围内除外)。
定制产品需双方确认图纸后加工生产,如产品不符合客户要求需在二周内提出书面异议,客户未按规定期限提出异议视为验收合格。
如在期限内提出异议,双方确认后确属产品质量问题或未按双方确认后的要求生产,可调换或退款。如无质量问题,且发货型号与合同签订型号完整无误,则不提供退换货服务。
售后咨询
技术性在线咨询、返厂返修、税票、投述最好是等涉及到的状况。售后维修产品产品热线电话021-51601181
品牌公从号
客户短视频号
企业主视频图片号
厂家新郎微博
中小型企业点点书