螺帽预紧力调节器器一种特意于精度检测的螺帽在锁紧螺柱环节中及业务壮态下预紧力程度的系统设计,依据实时的数据监测预紧力平均值,有没有效防范因预紧力毛病会影响的接入松脱或预紧力过大导致的螺帽碎裂等毛病。螺帽算作机械性结构特征中接入零控制部件的核心区锁紧螺柱件,其预紧力的程度会直接会影响生产设备的不稳判定性、稳定性和在使用耐用度。
很广使用于二手车研发加工、重工机械、航海中国航空、航空航天、军民融合、风力发电矿产品、研发及深入分析组织等域。
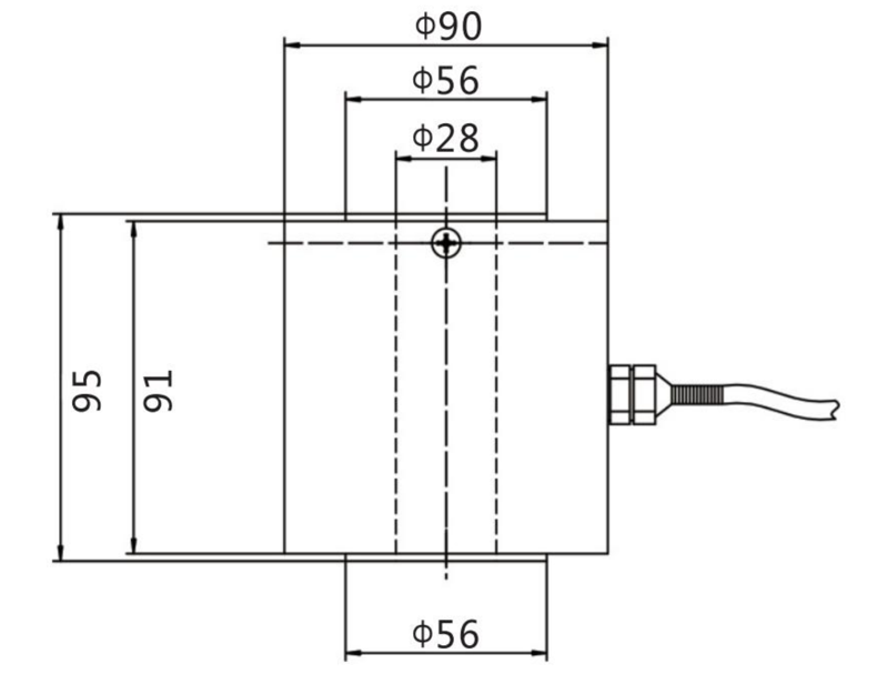
传感器接线示意图: 传感器受力图:


| 参 数 | 技术参数 | 参 数 | 技术参数 |
| 量程 | 5-50T | 材质 | 合金钢 |
| 输出灵敏度 | 1.5±10%mV/V | 阻抗 | 700Ω |
| 零点输出 | ±2%F.S. | 绝缘电阻 | ≥5000MΩ/100VDC |
| 非线性 | 0.5%F.S. | 使用电压 | 5~15V |
| 滞后 | 0.05%F.S. | 工作温度范围 | -20~80℃ |
| 重复性 | 0.05%F.S. | 安全过载 | 120% |
| 蠕变(30分钟) | 0.1%F.S. | 极限过载 | 150% |
| 温度灵敏度漂移 | 0.1%F.S./10℃ | 电缆线规格 | Φ5x3m |
| 零点温度漂移 | 0.1%F.S./10℃ | 线缆极限拉力 | 10kg |
| 响应频率 | 10kHz |
1.J9.COM为客户提供安装调试服务,以及其他技术咨询,必要时技术人员可上门提供技术培训。客户如有技术上疑问,技术人员将在4个小时内给出回复。
2.J9.COM新品牌认真根据ISO9001國際的質量组织体制开发分娩,感知器新品牌整机保修期限三年一年.电子仪表类新品牌整机保修期限三年5年,7天退货退款货,一辈子修补。(其他破损不会在整机保修期限三年区间,全屋定制新品牌无的質量话题不降没换。)3.因质量问题造成的退换货,J9.COM将承担退换货运费。非质量问题退换货费用将由客户承担。
注:质量问题是指功能,尺寸、指标、安装方式等定制参数未按照客户提出的要求定制,功能不符,尺寸误差,精度不准(误差范围内除外)。
定制产品需双方确认图纸后加工生产,如产品不符合客户要求需在二周内提出书面异议,客户未按规定期限提出异议视为验收合格。
如在期限内提出异议,双方确认后确属产品质量问题或未按双方确认后的要求生产,可调换或退款。如无质量问题,且发货型号与合同签订型号完整无误,则不提供退换货服务。
售后咨询
水平资讯、返厂修理、收据、网络投诉意见等有关系疑问。安裝服务管理电语021-51601181
工业企业公从号
工业企业抖音音乐号
企业公司短视频号
行业微博文章
厂家小丽书