轴销式荷重传感器也是种柱状体体设计的力敏检查在线测量安装,核心思想使用柱状体体柔软性体受力分析呈现的细小弯曲,转成为铁通号模拟输出,确保对压差、拉力等荷重的精准服务在线测量。格局紧密,结合计算精更高,长期性安全稳相关性好,创新型金属钢面镀镍。
广泛的适用人群于电子厂秤、电子衡器等各种各样的测力、称重量的化学工业电脑全自动化运输车辆控住程序。

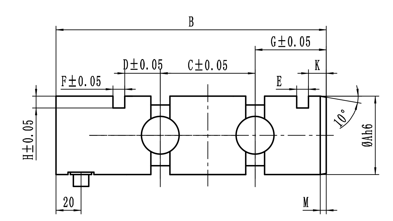
| 分度值 | A | B | C | D | E | F | G | H | K | M |
| 2~5t | 50 | 180 | 66 | 27 | 4.5 | 6.5 | 32 | 7 | 9 | 3 |
| 7~10t | 60 | 190 | 96 | 14 | 10 | 9 | 33 | 9 | 9 | 5 |
| 10~15t | 65 | 210 | 116 | 14 | 10 | 9 | 32 | 9 | 8 | 5 |
| 2~5t | 50 | 180 | 66 | 27 | 4.5 | 6.5 | 32 | 7 | 9 | 3 |
| 20~30t | 80 | 225 | 109 | 20 | 12 | 11 | 40 | 10 | 8 | 6 |
| 40~100t | 120 | 275 | 153 | 25 | 14 | 13 | 51 | 15 | 12 | 6 |
传感器接线示意图: 传感器受力图:


| 参 数 | 技术参数 | 参 数 | 技术参数 |
| 量程 | 0~100T | 材质 | 合金钢 |
| 输出灵敏度 | 1.0±0.05mV/V | 阻抗 | 700±5Ω |
| 零点输出 | ±2%F.S. | 绝缘电阻 | ≥5000MΩ/100VDC |
| 非线性 | 0.5%F.S. | 使用电压 | 5~15V |
| 滞后 | 0.5%F.S. | 工作温度范围 | -20~80℃ |
| 重复性 | 0.5%F.S. | 安全过载 | 150%F·S |
| 蠕变(30分钟) | 0.05%F.S. | 极限过载 | 300% |
| 温度灵敏度漂移 | 0.05%F.S./10℃ | 电缆线规格 | Φ5x3m |
| 零点温度漂移 | 0.05%F.S./10℃ | 线缆极限拉力 | 10kg |
| 响应频率 | 10kHz |
1.J9.COM为客户提供安装调试服务,以及其他技术咨询,必要时技术人员可上门提供技术培训。客户如有技术上疑问,技术人员将在4个小时内给出回复。
2.J9.COM品牌苛刻以ISO9001亚太质理工作体系设计产生,调节器器品牌整车整机保修一年1年时间内.汽车仪表盘类品牌整车整机保修一年3-5年,7天退还货,无期限售后维修。(故意损伤在整车整机保修一年条件,高端定制品牌无质理难题未退只换。)3.因质量问题造成的退换货,J9.COM将承担退换货运费。非质量问题退换货费用将由客户承担。
注:质量问题是指功能,尺寸、指标、安装方式等定制参数未按照客户提出的要求定制,功能不符,尺寸误差,精度不准(误差范围内除外)。
定制产品需双方确认图纸后加工生产,如产品不符合客户要求需在二周内提出书面异议,客户未按规定期限提出异议视为验收合格。
如在期限内提出异议,双方确认后确属产品质量问题或未按双方确认后的要求生产,可调换或退款。如无质量问题,且发货型号与合同签订型号完整无误,则不提供退换货服务。
售后咨询
技术应用资询、返厂维修费、收据、网络投诉可以等各种相关问題。售后客服工作电話021-51601181
企业公司公众账号号
制造业企业抖音小视频号
制造业企业短视频号
单位腾讯微博
中小企业点点书