
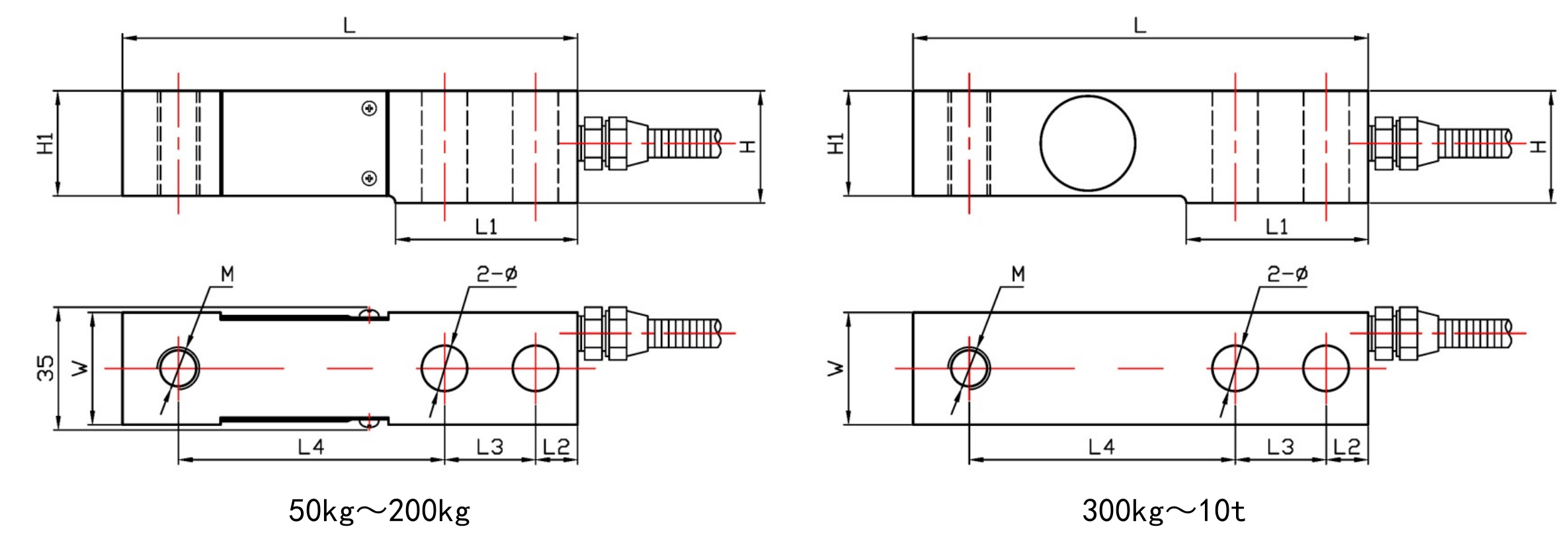
| 量限 | L | L2 | L3 | L4 | W | H | H1 | L1 | 2-Φ | M |
| 50kg~2t | 130 | 12 | 26 | 76 | 32 | 32 | 30 | 52 | Φ13 | M12x1.75 |
| 2.5t~5t | 171.5 | 19.1 | 38.1 | 95.3 | 38.1 | 38.1 | 34 | 76 | Φ19.5 | M18x1.5 |
| 6t~10t | 225.6 | 25.4 | 50.8 | 122.9 | 50.8 | 50.8 | 45 | 105 | Φ26.4 | M30x2 |
传感器接线示意图: 传感器受力图:


| 参 数 | 技术参数 | 参 数 | 技术参数 |
| 量程 | 50kg~10t | 输出电阻 | 350±5Ω |
| 输出灵敏度 | 2.0±0.05mV/V | 工作温度范围 | -20~+70℃ |
| 非线性 | ±0.03~±0.05%F.S. | 安全过载 | 150%F·S |
| 滞后误差 | ±0.03%F.S. | 绝缘电阻 | ≥2000MΩ |
| 重复性误差 | ±0.03%F.S. | 激励电压 | 5V~12V |
| 蠕变 | ±0.03%F.S. | 防护等级 | IP65、IP66 |
| 零点温度系数 | ±0.05%F.S./10℃ | 材质 | 合金钢、不锈钢 |
| 灵敏度温度系数 | ±0.05%F.S./10℃ | 线缆 | Φ5x3m |
| 输入电阻 | 380±30Ω |
1.J9.COM为客户提供安装调试服务,以及其他技术咨询,必要时技术人员可上门提供技术培训。客户如有技术上疑问,技术人员将在4个小时内给出回复。
2.J9.COM商品苛刻明确ISO9001国外的品质体系中方案生产的,感应器器商品保修两年.仪容仪表类商品保修两年,7天无理由退货货,一生检修。(由人毁损没在保修时间范围,个性定制商品无的品质间题不降不用换。)3.因质量问题造成的退换货,J9.COM将承担退换货运费。非质量问题退换货费用将由客户承担。
注:质量问题是指功能,尺寸、指标、安装方式等定制参数未按照客户提出的要求定制,功能不符,尺寸误差,精度不准(误差范围内除外)。
定制产品需双方确认图纸后加工生产,如产品不符合客户要求需在二周内提出书面异议,客户未按规定期限提出异议视为验收合格。
如在期限内提出异议,双方确认后确属产品质量问题或未按双方确认后的要求生产,可调换或退款。如无质量问题,且发货型号与合同签订型号完整无误,则不提供退换货服务。
售后咨询
方法详询、返厂维修的服务、税票、投诉信推荐 等关于情况。售后维修的服务的服务服务电话021-51601181
制造业企业大家号
企业公司抖音短视频号
公司视频播放号
机构手机微博
各个企业小丽书