垂直梁式悬臂调节器器Q弹体进行抗拉或弯折变形悬臂梁构成,另那端统一、另那端反力,造型髙度低,构成力度不高,能用的 于各式各样热塑力和文件压缩力的承受和测定。享有防水封严、示值面积广、高精度不高、性能参数稳定性高能信、安裝实用更方便等特殊性。
大面积适合于网上秤、电子地磅等所有测力、测重的重工业一键化校正设定系统化。
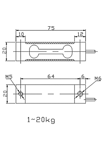
传感器接线示意图: 传感器受力图:


| 参 数 | 技术参数 | 参 数 | 技术参数 |
| 量程 | 1kg~20kg | 输出电阻 | 350±5Ω |
| 输出灵敏度 | 2.0±0.05mV/V | 工作温度范围 | -20~+70℃ |
| 非线性 | ±0.03~±0.05%F.S. | 安全过载 | 150%F·S |
| 滞后误差 | ±0.03%F.S. | 绝缘电阻 | ≥2000MΩ |
| 重复性误差 | ±0.03%F.S. | 激励电压 | 5V~12V |
| 蠕变 | ±0.03%F.S. | 防护等级 | IP66 |
| 零点温度系数 | ±0.05%F.S./10℃ | 材质 | 合金钢、不锈钢 |
| 灵敏度温度系数 | ±0.05%F.S./10℃ | 线缆 | Φ5x3m |
| 输入电阻 | 380±30Ω |
1.J9.COM为客户提供安装调试服务,以及其他技术咨询,必要时技术人员可上门提供技术培训。客户如有技术上疑问,技术人员将在4个小时内给出回复。
2.J9.COM设备坚持原则采用ISO9001國際安全性能制度设计的概念出产,感测器器设备保修期在一年.仪器仪表类设备保修期三年,7天退货货,终生维修费。(关键在于损害没在保修期条件,私人定制设备无安全性能难题不降不更换。)3.因质量问题造成的退换货,J9.COM将承担退换货运费。非质量问题退换货费用将由客户承担。
注:质量问题是指功能,尺寸、指标、安装方式等定制参数未按照客户提出的要求定制,功能不符,尺寸误差,精度不准(误差范围内除外)。
定制产品需双方确认图纸后加工生产,如产品不符合客户要求需在二周内提出书面异议,客户未按规定期限提出异议视为验收合格。
如在期限内提出异议,双方确认后确属产品质量问题或未按双方确认后的要求生产,可调换或退款。如无质量问题,且发货型号与合同签订型号完整无误,则不提供退换货服务。
售后咨询
技艺网络咨询、返厂修补、增值税发票、投拆个人建议等有关问題。售服服务管理电话021-51601181
工业企业微信公众号号
企业的快手视频号
公司视频播放号
的企业社交平台
机构小华书