悬臂梁式感测器器韧性体适用截取或弯曲变形悬臂梁成分,两端进行固定、两端反力,外观形状位置低,成分力度更高,用于于各式伸拉力和解压缩力的承载着和测量方法。兼有防火密封、量限规模广、的精密度更高、能力相对稳定可信度、安裝选用简单方便等特殊性。
比较广泛操作于光电秤、电子秤等各样测力、秤量的工业化的重新化检测掌控系统软件。
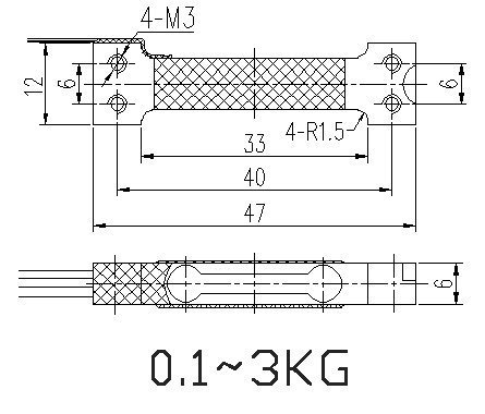
传感器接线示意图: 传感器受力图:


| 参 数 | 技术参数 | 参 数 | 技术参数 |
| 量程 | 0.1kg~3kg | 输出电阻 | 10000±5Ω |
| 输出灵敏度 | 1±10%mV/V | 绝缘电阻 | ≥5000MΩ/100VDC |
| 零点输出 | ±1%F.S. | 激励电压 | 5-10VDC |
| 非线性 | ±0.03%F.S. | 温度补偿范围 | -10~60℃ |
| 滞后误差 | ≤0.05%F.S. | 工作温度范围 | -20~65℃ |
| 重复性误差 | ≤0.05%F.S. | 安全过载 | 150%FS |
| 蠕变 | ≤0.05%F.S. | 极限超载 | 200%FS |
| 零点温度系数 | ±0.05%F.S./10℃ | 电缆线长度 | 四色排线 |
| 灵敏度温度系数 | ±0.05%F.S./10℃ | 电气连接 | 红/E+,黑/E-, 绿S+,白/S- |
| 输入电阻 | 1000±10Ω | 材质 | 铝合金 |
| 四角误差 | 0.02%加载值/100mm |
1.J9.COM为客户提供安装调试服务,以及其他技术咨询,必要时技术人员可上门提供技术培训。客户如有技术上疑问,技术人员将在4个小时内给出回复。
2.J9.COM服务严格的明确ISO9001香港国际品牌的质量标准来设计生产加工,传调节器器服务保修期1年时间内.仪表板类服务保修期5年,7天退货货,长期维护。(因人损毁不保修期领域,订做服务无品牌的质量问題没退不用换。)3.因质量问题造成的退换货,J9.COM将承担退换货运费。非质量问题退换货费用将由客户承担。
注:质量问题是指功能,尺寸、指标、安装方式等定制参数未按照客户提出的要求定制,功能不符,尺寸误差,精度不准(误差范围内除外)。
定制产品需双方确认图纸后加工生产,如产品不符合客户要求需在二周内提出书面异议,客户未按规定期限提出异议视为验收合格。
如在期限内提出异议,双方确认后确属产品质量问题或未按双方确认后的要求生产,可调换或退款。如无质量问题,且发货型号与合同签订型号完整无误,则不提供退换货服务。
售后咨询
技木咨讯、返厂维修培训、增值税发票、投拆建议大家等相关内容问題。售后客服服务保障电活021-51601181
企业公司群众号
企业公司逗音号
商家视频播放号
中小型企业新郎微博
公司企业小丽书