悬臂梁式感测器器延展能力体使用的分割或拉伸悬臂梁节构,设备加固,设备载荷,使用的厨房台面低,设备构造硬度高。能用于各方面肌肉拉伸力或缩减力的承载着和预估。极具耐磨防尘封口、量限依据广、特点稳固能信、按装用方便快捷等作用。
多应应用在网络秤、衡器电子秤等几种测力、计重的化工业操作系统工控设备机动车辆抑制操作系统。
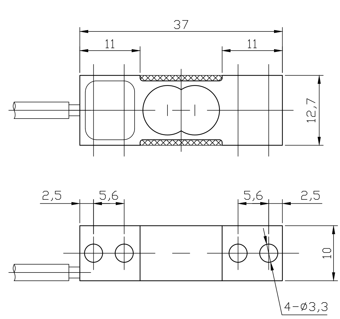
传感器接线示意图: 传感器受力图:


| 参 数 | 技术参数 | 参 数 | 技术参数 |
| 量程 | 0~10KG | 输出电阻 | 350±5Ω |
| 输出灵敏度 | 1.0mV/V | 工作温度范围 | -20~+70℃ |
| 非线性 | ±0.1~±0.2%F.S. | 安全过载 | 120%F·S |
| 滞后误差 | ±0.1%F.S. | 绝缘电阻 | ≥2000MΩ |
| 重复性误差 | ±0.1%F.S. | 激励电压 | 10V |
| 蠕变 | ±0.1%F.S. | 防护等级 | IP65、IP66 |
| 零点温度系数 | ±0.05%F.S./10℃ | 材质 | 合金钢 |
| 灵敏度温度系数 | ±0.05%F.S./10℃ | 线缆 | Φ5x3m |
| 输入电阻 | 380±30Ω |
1.J9.COM为客户提供安装调试服务,以及其他技术咨询,必要时技术人员可上门提供技术培训。客户如有技术上疑问,技术人员将在4个小时内给出回复。
2.J9.COM货品非常严格按ISO9001知名安全性能安全体系设计方案生产销售,感应器器货品保修半年.仪表板类货品保修四年,7天退货货,一辈子保修。(人员损毁没有在保修规模,定制化货品无安全性能难题不返只换。)3.因质量问题造成的退换货,J9.COM将承担退换货运费。非质量问题退换货费用将由客户承担。
注:质量问题是指功能,尺寸、指标、安装方式等定制参数未按照客户提出的要求定制,功能不符,尺寸误差,精度不准(误差范围内除外)。
定制产品需双方确认图纸后加工生产,如产品不符合客户要求需在二周内提出书面异议,客户未按规定期限提出异议视为验收合格。
如在期限内提出异议,双方确认后确属产品质量问题或未按双方确认后的要求生产,可调换或退款。如无质量问题,且发货型号与合同签订型号完整无误,则不提供退换货服务。
售后咨询
新技术指导了解、返厂售服维修、税票、匿名举报推荐等相应的故障。售服服务于电语021-51601181
企业微信公众号代运营号
工业企业内涵段子号
工业企业视频图片号
厂家新浪微博
中小型企业红红书