悬臂梁式感知器黏性体通过铝镁合金,用热熔胶填料密封到IP65,表面上阳极空气氧化,防腐涂料,局部架构,按照方便简洁。悬臂梁调节器器以**悬臂梁式柔软性体**为核心理念,原则是在梁的自卫权端物理受力(多见于负担)时,梁体引发拉伸弯曲,使粘附的应变速率片电阻器变化无常,经装换的输出与力值正比的联通号,主要的用作负担或承重的查重。 基本特征:架构简单的,做成制造费较低;测量范围小且(一般来说几干克到上百干克),定位精度安全;安转便于,合适的平台承重、大中型料罐体重监测器、同步带秤力值的查重等以负担偏重于的情况,对拉力的适合性较差。
具有广泛性支持于智能电子秤、电子衡器等不同的测力、秤量的工业制造重新化该车辆管控系统软件。
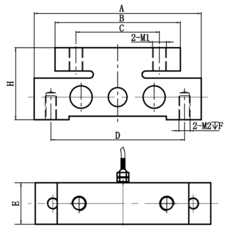
| 量 程 | A | B | C | D | E | H | M1 | M2 | F |
| 1-5T | 220 | 140 | 110 | 186 | 45 | 85 | M16 | M12 | 20 |
| 10-20T | 240 | 180 | 120 | 192 | 50 | 93 | M20 | M16 | 30 |
| 30T | 240 | 180 | 120 | 192 | 56 | 102 | M20 | M16 | 30 |
传感器接线示意图: 传感器受力图:


| 参 数 | 技术参数 | 参 数 | 技术参数 |
| 量程 | 1~30T | 材质 | 合金钢 |
| 输出灵敏度 | 1.0±0.05mV/V | 阻抗 | 700Ω |
| 零点输出 | ±1%F.S. | 绝缘电阻 | ≥5000MΩ/100VDC |
| 非线性 | 0.2%F.S. | 使用电压 | 5~15V |
| 滞后 | 0.2%F.S. | 工作温度范围 | -20~60℃ |
| 重复性 | 0.1%F.S. | 安全过载 | 150%F·S |
| 蠕变(30分钟) | 0.1%F.S. | 极限过载 | 200% |
| 温度灵敏度漂移 | 0.03%F.S./10℃ | 电缆线规格 | Φ5x5m |
| 零点温度漂移 | 0.03%F.S./10℃ | 线缆极限拉力 | 10kg |
| 响应频率 | 10kHz |
1.J9.COM为客户提供安装调试服务,以及其他技术咨询,必要时技术人员可上门提供技术培训。客户如有技术上疑问,技术人员将在4个小时内给出回复。
2.J9.COM车辆要严根据ISO9001知名服务线质量保障体系装修设计产出,传红外感应器器车辆保修期限四年.电子仪表类车辆保修期限四年,7天退还货,終身维护。(人为性损害找不着保修期限范围图,定制网站车辆无服务线质量故障没退没换。)3.因质量问题造成的退换货,J9.COM将承担退换货运费。非质量问题退换货费用将由客户承担。
注:质量问题是指功能,尺寸、指标、安装方式等定制参数未按照客户提出的要求定制,功能不符,尺寸误差,精度不准(误差范围内除外)。
定制产品需双方确认图纸后加工生产,如产品不符合客户要求需在二周内提出书面异议,客户未按规定期限提出异议视为验收合格。
如在期限内提出异议,双方确认后确属产品质量问题或未按双方确认后的要求生产,可调换或退款。如无质量问题,且发货型号与合同签订型号完整无误,则不提供退换货服务。
售后咨询
技艺咨询了解、返厂修理、专用发票、投述提醒等相关一些问题。售后维修服务培训咨询热线021-51601181
企业公司大众用户群体号
中小企业小咖秀号
公司短视频号
制造业企业腾讯微博
企业公司攻略书