新技术亮点:传红外感应器器选择分割或内弯悬梁构造具备着防潮密封垫作用控制精度提高、示值的范围广、性能指标稳定性高可以信赖不适采用电子技术秤、地磅生产厂家等测力与测重装置
抛物线梁式悬臂感测器器黏性体进行截取视频或变形悬臂形式类型,左端确定、左端支座反力。形式类型抗拉强性高,要用于很多拉伸形变力和再压缩力的承受力和检测的。体现了防火密封圈、满量程依据广、要求高、特性稳定性高是真的吗、利用利用不方便等优点和缺点。
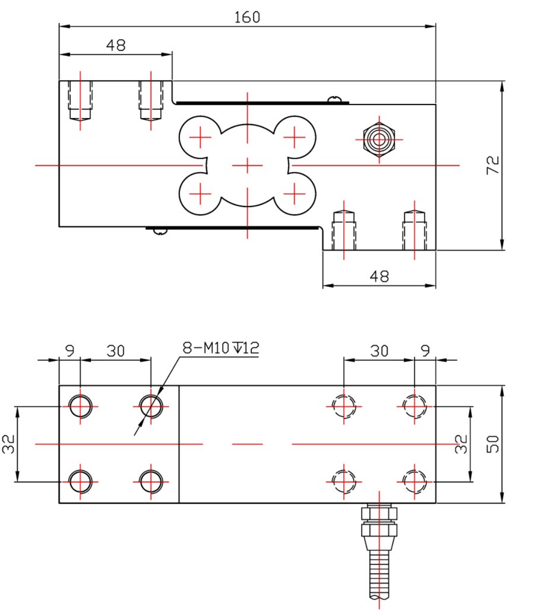
密切适于于电子无线秤、电子秤等各个测力、秤重的工业化自然化估测有效系统设计性。
传感器接线示意图: 传感器受力图:


| 参 数 | 技术参数 | 参 数 | 技术参数 |
| 量程 | 50kg~500kg | 输出电阻 | 350±5Ω |
| 输出灵敏度 | 2.0±0.05mV/V | 工作温度范围 | -20~+70℃ |
| 非线性 | ±0.03~±0.05%F.S. | 安全过载 | 150%F·S |
| 滞后误差 | ±0.03%F.S. | 绝缘电阻 | ≥2000MΩ |
| 重复性误差 | ±0.03%F.S. | 激励电压 | 5V~12V |
| 蠕变 | ±0.03%F.S. | 防护等级 | IP66 |
| 零点温度系数 | ±0.05%F.S./10℃ | 材质 | 合金钢、不锈钢 |
| 灵敏度温度系数 | ±0.05%F.S./10℃ | 线缆 | Φ5x3m |
| 输入电阻 | 380±30Ω |
1.J9.COM为客户提供安装调试服务,以及其他技术咨询,必要时技术人员可上门提供技术培训。客户如有技术上疑问,技术人员将在4个小时内给出回复。
2.J9.COM好类物料要严明确ISO9001国际级效果网络体系制定生产制造,调节器器好类物料整机保修期限三年2年.设备类好类物料整机保修期限三年两年多,7天退货及换货货,終身维修费。(其他弄坏不整机保修期限三年时间范围,全屋定制好类物料无效果问題不降不更换。)3.因质量问题造成的退换货,J9.COM将承担退换货运费。非质量问题退换货费用将由客户承担。
注:质量问题是指功能,尺寸、指标、安装方式等定制参数未按照客户提出的要求定制,功能不符,尺寸误差,精度不准(误差范围内除外)。
定制产品需双方确认图纸后加工生产,如产品不符合客户要求需在二周内提出书面异议,客户未按规定期限提出异议视为验收合格。
如在期限内提出异议,双方确认后确属产品质量问题或未按双方确认后的要求生产,可调换或退款。如无质量问题,且发货型号与合同签订型号完整无误,则不提供退换货服务。
售后咨询
枝术资询、返厂检修、专用发票、客户投诉可以等涉及到的间题。售后维修点服务保障服务电话021-51601181
制造业企业人们号
工厂抖音短视频号
机构视频播放号
企业公司微博微博
品牌和攻略