轴承座式张力传感器是一种集成于轴承座结构中的张力测量装置,其核心通过将轴承座与力敏感元件(如应变片、压电组件)结合,利用轴承座承载被测部件(如轴、辊筒)的径向或轴向张力,敏感元件感知受力后将机械张力信号转化为可输出的电信号(如电压、电流),实现对轴承安装部位张力的实时监测。
广泛应用于电机、减速机、工业机床、重型机械等领域。

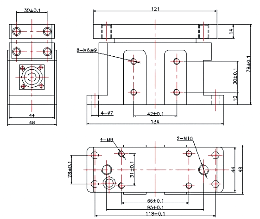
传感器接线示意图: 传感器受力图:


| 参 数 | 技术参数 | 参 数 | 技术参数 |
| 量程 | 100~3000N | 零点输出 | ±1%FS |
| 灵敏度 | 1.0~2.0±0.004mV/V | 输入阻抗 | 380±20Ω |
| 最小检定分度值 | Emax/3000 | 输出阻抗 | 350±2Ω |
| 最明显检定测量范围值 | 1000 | 绝缘电阻 | ≥2000MΩ(1000VDC) |
| 温度灵敏度漂移 | ≤±0.03%F.S/10℃ | 推荐使用电压 | 5V~12V |
| 温度零点漂移 | ≤±0.03%F.S/10℃ | 安全过载 | 150%FS |
| 温度补偿范围 | -20~+60℃ | 极限过载 | 200%FS |
| 工作温度范围 | -35~+70℃ | 防护等级 | IP65 |
1.J9.COM为客户提供安装调试服务,以及其他技术咨询,必要时技术人员可上门提供技术培训。客户如有技术上疑问,技术人员将在4个小时内给出回复。
2.J9.COM產品设备要从严根据ISO9001全国效果工作体系订制加工,感应器器產品设备保质2年.仪器类產品设备保质两年多,7天申请退货货,终身制处理。(关键在于毁坏不再保质空间,订制產品设备无效果故障没退没换。)3.因质量问题造成的退换货,J9.COM将承担退换货运费。非质量问题退换货费用将由客户承担。
注:质量问题是指功能,尺寸、指标、安装方式等定制参数未按照客户提出的要求定制,功能不符,尺寸误差,精度不准(误差范围内除外)。
定制产品需双方确认图纸后加工生产,如产品不符合客户要求需在二周内提出书面异议,客户未按规定期限提出异议视为验收合格。
如在期限内提出异议,双方确认后确属产品质量问题或未按双方确认后的要求生产,可调换或退款。如无质量问题,且发货型号与合同签订型号完整无误,则不提供退换货服务。
售后咨询
工艺资讯、返厂返修、专用发票、网络投诉提议等有关的相关问题。安裝服務服务电话021-51601181
中小企业大学生消费群体号
机构短视频号
机构视頻号
行业社交平台
客户和小红书官网