穿轴式拉力调节器器一种专为监测技术线材、薄膜、带材等连续材料张力而设计的力传感器,其核心结构为轴状受力主体,材料通过轴体中心或环绕轴体运行时,张力直接作用于轴上,传感器将力学信号转化为电信号输出。
广泛应用于线缆生产、薄膜加工、纺织工业、教育科研实验性、印刷包装、海洋生物工业、自动化生产线、农业科技水产业、机械人等行业。


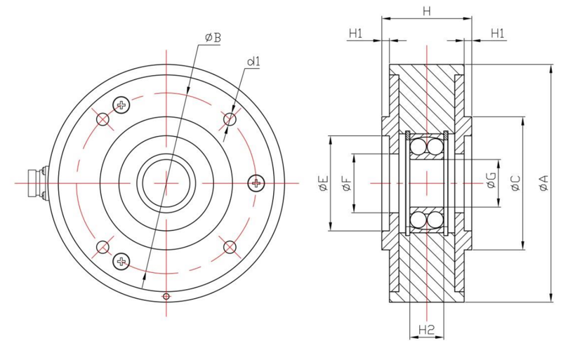
传感器接线示意图: 传感器受力图:


| 参 数 | 技术参数 | 参 数 | 技术参数 |
| 量程 | 30kg~3000kg | 输出电阻 | 350±5Ω |
| 输出灵敏度 | 1.5±0.05mV/V | 工作温度范围 | -20~+70℃ |
| 非线性 | ±0.5%F.S. | 安全过载 | 150%F·S |
| 滞后误差 | ±0.5%F.S. | 绝缘电阻 | ≥2000MΩ |
| 重复性误差 | ±0.5%F.S. | 激励电压 | 5V~12V |
| 蠕变 | ±0.5%F.S. | 防护等级 | IP65 |
| 零点温度系数 | ±0.1%F.S./10℃ | 材质 | 合金钢 |
| 灵敏度温度系数 | ±0.1%F.S./10℃ | 线缆 | Φ5x3m |
| 输入电阻 | 380±30Ω |
1.J9.COM为客户提供安装调试服务,以及其他技术咨询,必要时技术人员可上门提供技术培训。客户如有技术上疑问,技术人员将在4个小时内给出回复。
2.J9.COM类物品要严依照ISO9001世界效率网络体系设计制作生孩子,感测器器类物品整车整车质保期一年.汽车仪表盘类类物品整车整车质保期4年,7天包换货,无期限维修部。(人员坏损并不在整车整车质保期范围之内,订制类物品无效率的问题拒退没换。)3.因质量问题造成的退换货,J9.COM将承担退换货运费。非质量问题退换货费用将由客户承担。
注:质量问题是指功能,尺寸、指标、安装方式等定制参数未按照客户提出的要求定制,功能不符,尺寸误差,精度不准(误差范围内除外)。
定制产品需双方确认图纸后加工生产,如产品不符合客户要求需在二周内提出书面异议,客户未按规定期限提出异议视为验收合格。
如在期限内提出异议,双方确认后确属产品质量问题或未按双方确认后的要求生产,可调换或退款。如无质量问题,且发货型号与合同签订型号完整无误,则不提供退换货服务。
售后咨询
工艺详询、返厂保修、单据、投拆意见与建议等关联状况。售后维修服务管理电活021-51601181
制造业企业顾客号
企业公司内涵段子号
企业短视频号
工业企业微博号
企业的红红书