穿轴式张力传感器采用高精度电阻应变片检测卷材张力,具有张力测量领域较高的测量精准度、能信性及稳定量分析性。调节器器内嵌式过载爱护爱护平台,且每一位只调节器器原机前均进行严苛检测,进而确保了产品的测量精度、稳定性和可靠性,是连续材料加工生产中高性能张力控制应用的最佳选择。
广泛应用于线缆生产、薄膜加工、纺织工业、科研工作测试、印刷包装、浮游生物过程、自动化生产线、农产品加工水产业、器机人等领域行业。


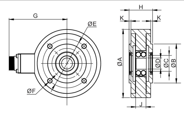
传感器接线示意图: 传感器受力图:


| 参 数 | 技术参数 | 参 数 | 技术参数 |
| 量程 | 10kg~3000kg | 重复性 | ±0.25%F.S. |
| 输出信号 | 20mV | 工作温度范围 | -20~+60℃ |
| 非线性 | ±0.3%F.S. | 安全过载 | 150%F·S |
| 精度等级 | ±0.3%F.S. | 绝缘电阻 | ≥5000MΩ/100VDC |
| 滞后 | ±0.3%F.S. | 激励电压 | 5V~15V |
1.J9.COM为客户提供安装调试服务,以及其他技术咨询,必要时技术人员可上门提供技术培训。客户如有技术上疑问,技术人员将在4个小时内给出回复。
2.J9.COM货品严厉依据ISO9001亚太质理体制规划产出,传探测器器货品整机整车质量管理保证三年一年.仪表板类货品整机整车质量管理保证三年一年,7天包换货,长期维修培训。(人工已损坏不见整机整车质量管理保证三年区间,制定货品无质理相关问题拒退不改。)3.因质量问题造成的退换货,J9.COM将承担退换货运费。非质量问题退换货费用将由客户承担。
注:质量问题是指功能,尺寸、指标、安装方式等定制参数未按照客户提出的要求定制,功能不符,尺寸误差,精度不准(误差范围内除外)。
定制产品需双方确认图纸后加工生产,如产品不符合客户要求需在二周内提出书面异议,客户未按规定期限提出异议视为验收合格。
如在期限内提出异议,双方确认后确属产品质量问题或未按双方确认后的要求生产,可调换或退款。如无质量问题,且发货型号与合同签订型号完整无误,则不提供退换货服务。
售后咨询
技术性管理咨询、返厂维修费、增值税发票、投拆意见建议等涉及问题。售后客服的热线电话021-51601181
品牌政府头条
厂家内涵段子号
制造业企业视頻号
企业消息
企业红红书