技術特色:高精准性好,频响快,寿命短长,效能平稳稳定可靠可稳定长时期运行,输送正反面转转矩警报两端均为键接触,安装利用利用便于
多应用行业于轻工业制造厂与自动的化,交通线游戏装备,自然能源与干劲装备,科研课题与检测等行业。

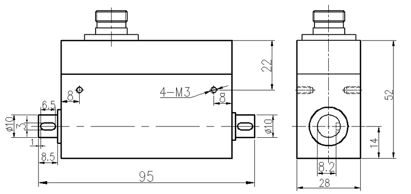
| 侧量范围图 | 0~0.1/0.2/0.3/0.5/1/2/3/5Nm |
| 输入机灵度 | 1.0~2.0mV/V |
| 基础性定位精度 | ±0.1;±0.3;±0.5%F·S(线形+多次性+迟缓) |
| 上班运作温度 | -20~+65℃ |
| 环境温度赔偿费标准 | -10~+60℃ |
| 零零摄氏度损害 | ±0.1%F·S/10℃ |
| 激励机制的电压 | 5~15VDC(推建输出功率10VDC) |
| 电绝缘电阻测试值 | 2000MΩ/100VDC |
| 设置功率电阻 | 700±10/350±10Ω |
| 工作输出热敏电阻 | 700±5/350±5Ω |
| 整点输入输出 | 0~±1%F·S |
| 人身安全过强度率 | 120%F·S |
| 出广规格线长 | 3m |
| 机械衔接方法 | 红/E+,黑/E-,绿/S+,白/S- |
1.J9.COM为客户提供安装调试服务,以及其他技术咨询,必要时技术人员可上门提供技术培训。客户如有技术上疑问,技术人员将在4个小时内给出回复。
2.J9.COM品牌的严格规范是以ISO9001国.际高产品标准规划生產,感测器器品牌的维修培训期3-5年.仪盘表类品牌的维修培训期3-5年,7天退货退款货,无限期维修培训。(不可避免伤害没在维修培训期区域,自定义品牌的无高产品疑问拒退没换。)3.因质量问题造成的退换货,J9.COM将承担退换货运费。非质量问题退换货费用将由客户承担。
注:质量问题是指功能,尺寸、指标、安装方式等定制参数未按照客户提出的要求定制,功能不符,尺寸误差,精度不准(误差范围内除外)。
定制产品需双方确认图纸后加工生产,如产品不符合客户要求需在二周内提出书面异议,客户未按规定期限提出异议视为验收合格。
如在期限内提出异议,双方确认后确属产品质量问题或未按双方确认后的要求生产,可调换或退款。如无质量问题,且发货型号与合同签订型号完整无误,则不提供退换货服务。
售后咨询
技艺顾问、返厂维修保养、增值税发票、投诉信提议等想关故障。售后维修功能热线电话021-51601181
企业的公众微信号
厂家火山小视频号
单位短视频号
企业主微信
品牌小丽书