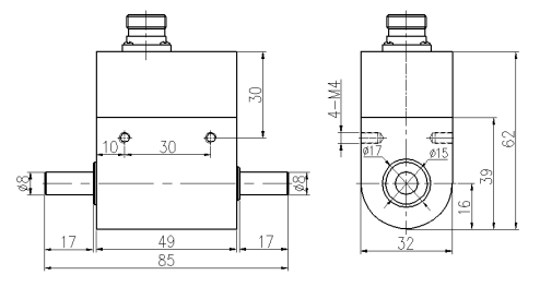
的技术结构特征:精度等级高,频响快,使用期长,耐热性稳固能信未集流环等划痕件,可髙速一直段机器运行,打出正反面转转距信息两端为光轴连接方式,装有运用便宜

| 在检测范围内 | 0~0.1/0.2/0.3/0.5/1/2/3/5Nm |
| 效果敏感度 | 1.0~2.0mV/V,4-20mA,0-5V,0-10V(24VDC用电) |
| 综合管理精密度 | ±0.1;±0.3;±0.5%F·S(曲线+从复性+迟滞) |
| 运作热度 | -20~+65℃ |
| 溫度弥补使用范围 | -10~+60℃ |
| 零零温暖反应 | ±0.1%F·S/10℃ |
| 团队激励电压电流 | 5~15VDC(介绍电流10VDC) |
| 加载失败频次 | 100μS |
| 绝缘层电阻功率 | 2000MΩ/100VDC |
| 填写电阻功率 | 700±10/350±10Ω |
| 輸出内阻 | 700±5/350±5Ω |
| 亮点打出 | 0~±1%F·S |
| 健康过载保护 | 120%F·S |
| 木头材质 | 合金材料钢 |
| 电气开关相连接方案 | 红/E+,黑/E-,绿/S+,白/S- |
1.J9.COM为客户提供安装调试服务,以及其他技术咨询,必要时技术人员可上门提供技术培训。客户如有技术上疑问,技术人员将在4个小时内给出回复。
2.J9.COM企业服务严格的是以ISO9001全国服务指标体系规划生产的,传控制器器企业服务整机保质三年1年时间内.仪器仪表类企业服务整机保质三年三年,7天退货退款货,终身的维修部。(人磨损不会整机保质三年範圍,高端定制企业服务无服务情况未退不改。)3.因质量问题造成的退换货,J9.COM将承担退换货运费。非质量问题退换货费用将由客户承担。
注:质量问题是指功能,尺寸、指标、安装方式等定制参数未按照客户提出的要求定制,功能不符,尺寸误差,精度不准(误差范围内除外)。
定制产品需双方确认图纸后加工生产,如产品不符合客户要求需在二周内提出书面异议,客户未按规定期限提出异议视为验收合格。
如在期限内提出异议,双方确认后确属产品质量问题或未按双方确认后的要求生产,可调换或退款。如无质量问题,且发货型号与合同签订型号完整无误,则不提供退换货服务。
售后咨询
科技了解和咨询、返厂修理、普通发票、投述建议大家等各种相关故障。售后维修安全服务服务电话021-51601181
企业公司人们号
品牌抖音视频号
企业视频图片号
公司企业新浪微博
中小企业小华书