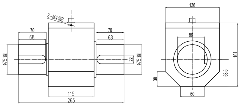
技木特殊性:精确高,频响快,使用使用期限长,功能不稳能信不集流环等变形件,可高速公路长精力机器运行,打印输出双面转扭力信息两端均为键拼接,装设操作便捷轉速大约1800转/几分钟
范围广应用于化学工业开发与自己化,交通银行裝备,发热能源与和动力主设备,研究与试验等区域。

| 测量范围 | 0~3000/5000Nm |
| 输出灵敏度 | 1.0~2.0mV/V,4~20mA,0~5V,0~10V(24V供电) |
| 综合精度 | ±0.1%FS;±0.3%FS;±0.5%F·S(线性+重复性+滞后) |
| 工作温度 | -20~+65℃ |
| 温度补偿范围 | -10~+60℃ |
| 零点温度影响 | ±0.1%F·S/10℃ |
| 激励电压 | 5~15VDC(推荐电压10VDC) |
| 响应频率 | 100μS |
| 绝缘电阻 | 2000MΩ/100VDC |
| 输入电阻 | 700±10/350±10Ω |
| 输出电阻 | 700±5/350±5Ω |
| 零点输出 | 0~±1%F·S |
| 安全过载 | 120%F·S |
| 材质 | 合金钢 |
| 电气连接方式 | 红/E+,黑/E-,绿/S+,白/S- |
1.J9.COM为客户提供安装调试服务,以及其他技术咨询,必要时技术人员可上门提供技术培训。客户如有技术上疑问,技术人员将在4个小时内给出回复。
2.J9.COM车辆认真决定ISO9001国际级效果模式装修设计生产销售,感测器器车辆保质1年时间内.仪器类车辆保质一年,7天包换货,一生处理。(人员故障未在保质范畴,定制化车辆无效果故障 没退不改。)3.因质量问题造成的退换货,J9.COM将承担退换货运费。非质量问题退换货费用将由客户承担。
注:质量问题是指功能,尺寸、指标、安装方式等定制参数未按照客户提出的要求定制,功能不符,尺寸误差,精度不准(误差范围内除外)。
定制产品需双方确认图纸后加工生产,如产品不符合客户要求需在二周内提出书面异议,客户未按规定期限提出异议视为验收合格。
如在期限内提出异议,双方确认后确属产品质量问题或未按双方确认后的要求生产,可调换或退款。如无质量问题,且发货型号与合同签订型号完整无误,则不提供退换货服务。
售后咨询
科技咨询了解。、返厂修理、增值税专票、举报提案等涉及到的一些问题。售后维修服务于服务于电语021-51601181
企业公司消费者号
厂家抖音音乐号
企业公司视频图片号
制造业企业消息
各个企业小华书