技術优点:误差高,频响快,期长,耐腐蚀性安稳可以信赖不会集流环等变形件,可稳定长耗时启动,打印输出正反两面转最大扭矩信号灯两端均为键接,连接用省事速比可达到1800转/小时。可测速比
信息效率感应器器,判断控制精度提高,保持承载水平分析好,抗要素水平强,球体积较小,克重轻,不易接入,可高速公路长期限机器运行,輸出正负极转效率数据,两端均为键接入,接入用有利,是对一些飞速转动或式飞速转动数学主件上对受压载荷认知的判断。效率感应器器将力矩的数学变迁改变成准确的电数据。效率感应器器能用在生产制造粘稠度计,電動伸缩力矩螺丝刀,引入電動伸缩机、四冲程发动机等飞速转动动能机的輸出效率及效率。
广普遍使用于实业生产与自动的化,交通银行技能,新能源与驱动力设施,成果转化与实验操作等这个领域。
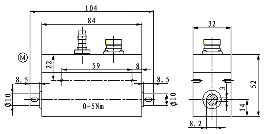
| 测量范围 | 0~5Nm |
| 灵敏度 | 1.5±10%mV/V |
| 零点输出 | ±1%FS |
| 非线性 | ±0.1%FS;±0.3%FS |
| 滞后 | ≤±0.05%FS |
| 重复性 | ≤±0.05%FS |
| 蠕变 | ≤0.03%FS/30min |
| 温度灵敏度漂移 | 0.03%FS/10℃ |
| 零点温度漂移 | 0.03%FS/10℃ |
| 输入电阻 | 750±10/350±10Ω |
| 输出电阻 | 700±5/350±5Ω |
| 响应频率 | 100μS |
| 绝缘电阻 | ≥5000MΩ/100VDC |
| 激励电压 | 10VDC(5-15VDC) |
| 温度补偿范围 | -10~60℃ |
| 工作温度范围 | -20~65℃ |
| 安全超载 | 150%FS |
| 极限超载 | 200%FS |
| 电缆线尺寸 | ∅5.2x3m |
| 电气连接 | 红/E+,黑/E-,绿/S+,白/S- |
| 材质 | 铝,不锈钢或合金钢 |
1.J9.COM为客户提供安装调试服务,以及其他技术咨询,必要时技术人员可上门提供技术培训。客户如有技术上疑问,技术人员将在4个小时内给出回复。
2.J9.COM企业企业新软件严格规范可以依照ISO9001國际品质标准体系环保定制家具生產,感知器企业企业新软件整机整机整机质保一年三年一年2年.仪器类企业企业新软件整机整机整机质保一年三年一年6年,7天退货退款货,终身的修补。(认为搞坏看不到整机整机整机质保一年三年一年比率,环保定制家具企业企业新软件无品质原因未退只换。)3.因质量问题造成的退换货,J9.COM将承担退换货运费。非质量问题退换货费用将由客户承担。
注:质量问题是指功能,尺寸、指标、安装方式等定制参数未按照客户提出的要求定制,功能不符,尺寸误差,精度不准(误差范围内除外)。
定制产品需双方确认图纸后加工生产,如产品不符合客户要求需在二周内提出书面异议,客户未按规定期限提出异议视为验收合格。
如在期限内提出异议,双方确认后确属产品质量问题或未按双方确认后的要求生产,可调换或退款。如无质量问题,且发货型号与合同签订型号完整无误,则不提供退换货服务。
售后咨询
系统咨询了解、返厂维修服务的、税票、投述提案等涉及问题。售后维修服务的服务的咨询热线021-51601181
企业公司顾客号
工业企业抖音短视频号
工业企业视频播放号
制造业企业手机微博
的企业小丽书