情况功率传红外感应器器是用到实时的监测系统转动或情况工作状态下功率变的系统设计,其目标是借助发动机功率使回弹性轴存在变形,再将塑性形变转为为可侧量的5G号。亮点可简概为没有响应快、准确度较高,能适宜各式各样负荷。
很广app于化工业制作业与自己化,客运辅助装备,再生资源与的动力机器设备,科研开发与实验报告等邻域。
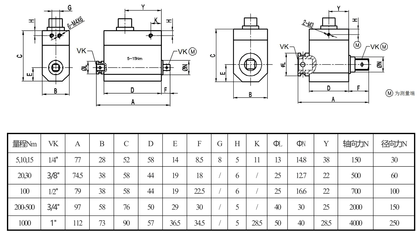
| 测量范围 | 0~5/10/20/30/50/100/200/300/500/1000Nm |
| 灵敏度 | 1.5±10%mV/V |
| 零点输出 | ±1%FS |
| 非线性 | ±0.1%FS,±0.3%FS |
| 滞后 | ≤±0.05%FS |
| 重复性 | ≤±0.05%FS |
| 蠕变 | ≤±0.03%FS/30min |
| 温度灵敏度漂移 | 0.03%FS/10℃ |
| 零点温度漂移 | 0.03%FS/10℃ |
| 输入电阻 | 350/750±10Ω |
| 输出电阻 | 350/750±10Ω |
| 绝缘电阻 | ≥5000MΩ/100VDC |
| 激励电压 | 5~15VDC(推荐电压10VDC) |
| 温度补偿范围 | -10~60℃ |
| 工作温度范围 | -20~65℃ |
| 安全超载 | 150%FS |
| 极限超载 | 200%FS |
| 电缆线尺寸 | ∅ 5.2×3m |
| 电气连接方式 | 红/E+,黑/E-,绿/S+,白/S- |
| 材质 | 铝,不锈钢或合金钢 |
1.J9.COM为客户提供安装调试服务,以及其他技术咨询,必要时技术人员可上门提供技术培训。客户如有技术上疑问,技术人员将在4个小时内给出回复。
2.J9.COM护肤品非常严格安装ISO9001國际效果标准体系方案生产方式,感测器器护肤品高质量保证半年.仪容仪表类护肤品高质量保证两年,7天退货货,一辈子维修保养。(人工烧坏不要在高质量保证范围图,自定义护肤品无效果事情未退不用换。)3.因质量问题造成的退换货,J9.COM将承担退换货运费。非质量问题退换货费用将由客户承担。
注:质量问题是指功能,尺寸、指标、安装方式等定制参数未按照客户提出的要求定制,功能不符,尺寸误差,精度不准(误差范围内除外)。
定制产品需双方确认图纸后加工生产,如产品不符合客户要求需在二周内提出书面异议,客户未按规定期限提出异议视为验收合格。
如在期限内提出异议,双方确认后确属产品质量问题或未按双方确认后的要求生产,可调换或退款。如无质量问题,且发货型号与合同签订型号完整无误,则不提供退换货服务。
售后咨询
科技在线咨询、返厂保修、税票、投诉信意见与建议等关于故障。售后提供服务提供服务服务电话021-51601181
的企业顾客号
商家逗音号
中小企业视頻号
各个企业消息
企业公司和攻略