螺栓机动车态最大发动因输出调节器器内阻应变速率为敏感脆弱电气元件和集成型电线分为的合二为一车辆,的精密度提高,效能稳固稳定可靠,伤害正反两面转最大发动因输出信息,与螺栓电批(智能三轮螺栓刀)简单方便进行连接。带速多达1500RPM。最大发动因输出调节器器可能用在制造出消费黏性计,智能三轮发动机输出活动扳手,传承智能三轮机、内然机等滑动扭力装置的伤害最大发动因输出及输出。
广泛使用软件应用软件于实业制作业与会电气自动化,交通银行传奇装备,再生资源与能源专用设备,科技创新与实验所等层面。
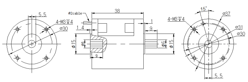
| 参 数 | 技艺性能参数 | 参 数 | 系统主要参数 |
| 量 程 | 0-5Nm | 加载帧率 | 100μS |
| 敏度度 | 1.5±10%mV/V | 耐压功率电阻 | ≥2000MΩ/100VDC |
| 精确 | ±0.3%F·S | 配电电流 | 5~10VDC |
| 0点室温影晌 | ±0.03%FS/10℃ | 安会超载超限 | 150%FS |
| 满度热度损害 | ±0.03%FS/10℃ | 极限值超载怎么处罚 | 200%FS |
| 环境温度征收土地赔偿的范围 | -10~60℃ | 电力高压电缆尺寸 | ∅2×3m |
| 工作中温升范围之内 | -20~75℃ | 电器设备接触 | 红/E+,黑/E-,绿/S+,白/S- |
| 輸入热敏电阻 | 350±20Ω | 转动速度 | 没问题可1500RPM |
| 打出功率电阻 | 350±10Ω | 不锈钢材质 | 轴相关材料17-4PH装饰管,塑料外壳为铝 |
大客户: 联系客服-咨询行业解决方案-确认产品型号参数-签订相关关技术合同-付款-物流发货-签收
3.因质量问题造成的退换货,J9.COM将承担退换货运费。非质量问题退换货费用将由客户承担。
注:质量问题是指功能,尺寸、指标、安装方式等定制参数未按照客户提出的要求定制,功能不符,尺寸误差,精度不准(误差范围内除外)。
定制产品需双方确认图纸后加工生产,如产品不符合客户要求需在二周内提出书面异议,客户未按规定期限提出异议视为验收合格。
如在期限内提出异议,双方确认后确属产品质量问题或未按双方确认后的要求生产,可调换或退款。如无质量问题,且发货型号与合同签订型号完整无误,则不提供退换货服务。
售后咨询
能力资讯、返厂售后客服维修、增值税专票、投诉举报提议等重要性的问题。售后客服功能热线电话021-51601181
企业主的微信公众号号
制造业企业快手视频号
工业企业视频图片号
工厂社交平台
工厂红红书