静态扭矩传感器是一种专门用于测量不产生旋转运动或旋转速度极低(可忽略动态效应)的物体所受扭矩的传感器。其核心原理是通过检测扭矩作用下弹性元件产生的形变(如应变、扭转角等),将物理形变转化为可测量的电信号(如电压、电流等),进而实现对扭矩数值的精确测量。
广泛应用于螺栓 / 螺母紧固检测、汽车工程、航空航天、科研实验、医疗、土木工程、农业机械等领域。

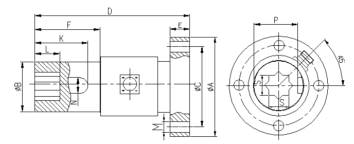
| 型号 | 量程 | ΦA | ΦB | ΦC | D | E | F | K | L | N | S | P | M |
| NJL-203A | 0-1000Nm | 99 | 50 | 80 | 155 | 20 | 65 | 53 | 25 | 16 | 20 | 44 | 4-φ10.5 |
| NJL-203B | 0-500Nm | 98 | 50 | 80 | 90 | 15 | 33 | 33 | 25 | 16 | 20 | 44 | 4-φ10.5 |
| NJL-203C | 0-2000Nm | 125 | 75 | 105 | 150 | 20 | 62 | 60 | 30 | 20 | 25.5 | 67.5 | 8-φ12.5 |
| NJL-203C | 0-5000Nm | 125 | 75 | 105 | 150 | 20 | 62 | 60 | 90 | 20 | 40.5 | 67.5 | 8-φ12.5 |
| NJL-203D | 0-10000Nm | 190 | 98 | 160 | 220 | 30 | 120 | 110 | 70 | 2-28 | 55 | 78 | 8-φ19 |
| 测试超范围 | 0~50/100/200/300/500/1000Nm(NJL-203A) 0~50/100/200/300/500Nm(NJL-203B) 0~2000/3000/5000Nm(NJL-203C) 0~10000Nm及以上(NJL-203D) |
| 导出机灵度 | 1.0~2.0mV/V |
| 融合表面粗糙度 | ±0.1%FS;±0.3%FS;±0.5%F·S(规则化+连续性+相位滞后) |
| 运作平均温度 | -20~+65℃ |
| 水温补充范围之内 | -10~+60℃ |
| 0点高温引响 | ±0.1%F·S/10℃ |
| 鼓励线电压 | 5~15VDC(推见线电压10VDC) |
| 卡死概率 | 100μS |
| 电绝缘电阻性能器 | 2000MΩ/100VDC |
| 显示电容 | 700±10/350±10Ω |
| 导出电阻功率 | 700±5/350±5Ω |
| 整点输出的 | 0~±1%F·S |
| 安全防护电机负载 | 120%F·S |
| 面料 | 硬质马氏体不锈钢 |
| 不间断连到方式英文 | 红/E+,黑/E-,绿/S+,白/S- |
1.J9.COM为客户提供安装调试服务,以及其他技术咨询,必要时技术人员可上门提供技术培训。客户如有技术上疑问,技术人员将在4个小时内给出回复。
2.J9.COM类车辆安装严格安装ISO9001国际联盟效果系统开发生产的,感知器类车辆维护保养半年.仪器类类车辆维护保养一年,7天退货货,无限期维护保养。(人为性损伤没有了维护保养比率,来样加工类车辆无效果一些问题没退没换。)3.因质量问题造成的退换货,J9.COM将承担退换货运费。非质量问题退换货费用将由客户承担。
注:质量问题是指功能,尺寸、指标、安装方式等定制参数未按照客户提出的要求定制,功能不符,尺寸误差,精度不准(误差范围内除外)。
定制产品需双方确认图纸后加工生产,如产品不符合客户要求需在二周内提出书面异议,客户未按规定期限提出异议视为验收合格。
如在期限内提出异议,双方确认后确属产品质量问题或未按双方确认后的要求生产,可调换或退款。如无质量问题,且发货型号与合同签订型号完整无误,则不提供退换货服务。
售后咨询
方法网络咨询、返厂检修、普通发票、举报推荐 等有关故障 。售后安全服务安全服务电话021-51601181
企业大学生消费群体号
公司快手号
品牌短视频号
各个企业消息
中小企业小丽书