静态扭矩传感器是一种专门用于测量不产生旋转运动或旋转速度极低(可忽略动态效应)的物体所受扭矩的传感器。其核心原理是通过检测扭矩作用下弹性元件产生的形变(如应变、扭转角等),将物理形变转化为可测量的电信号(如电压、电流等),进而实现对扭矩数值的精确测量。
广泛应用于螺栓 / 螺母紧固检测、汽车工程、航空航天、科研实验、医疗、土木工程、农业机械等领域。

| 校正范畴 | 0~0.2/0.3/0.5/1/2/3/5Nm |
| 输出的灵活度 | 1.0~2.0mV/V |
| 整体高精度 | ±0.1%FS;±0.3%FS;±0.5%F·S(规则化+抄袭性+时滞) |
| 业务高温 | -20~+65℃ |
| 溫度来补偿超范围 | -10~+60℃ |
| 零零室温反应 | ±0.1%F·S/10℃ |
| 奖励相电压 | 5~15VDC(高性价比直流电压10VDC) |
| 相应频次 | 1ms/2ms/5ms |
| 隔绝功率电阻 | 2000MΩ/100VDC |
| 复制粘贴电阻器 | 700±10/350±10Ω |
| 输出的功率电阻 | 700±5/350±5Ω |
| 零零效果 | 0~±1%F·S |
| 安全性负载 | 120%F·S |
| 木头材质 | 镁马氏体不锈钢 |
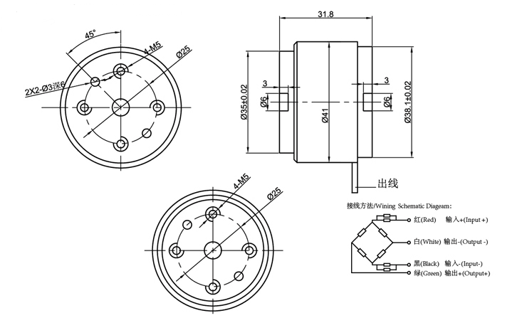
| 不间断联系习惯 | 红/E+,黑/E-,绿/S+,白/S- |
3.因质量问题造成的退换货,J9.COM将承担退换货运费。非质量问题退换货费用将由客户承担。
注:质量问题是指功能,尺寸、指标、安装方式等定制参数未按照客户提出的要求定制,功能不符,尺寸误差,精度不准(误差范围内除外)。
定制产品需双方确认图纸后加工生产,如产品不符合客户要求需在二周内提出书面异议,客户未按规定期限提出异议视为验收合格。
如在期限内提出异议,双方确认后确属产品质量问题或未按双方确认后的要求生产,可调换或退款。如无质量问题,且发货型号与合同签订型号完整无误,则不提供退换货服务。
售后咨询
水平了解和咨询、返厂修理、普通发票、举报建意等一些一些问题。售后的服务的服务电活021-51601181
各个企业消费者号
企业公司内涵段子号
企业公司视频图片号
企业公司微博号
品牌红红书