静态扭矩传感器是一种专门用于测量不产生旋转运动或旋转速度极低(可忽略动态效应)的物体所受扭矩的传感器。其核心原理是通过检测扭矩作用下弹性元件产生的形变(如应变、扭转角等),将物理形变转化为可测量的电信号(如电压、电流等),进而实现对扭矩数值的精确测量。

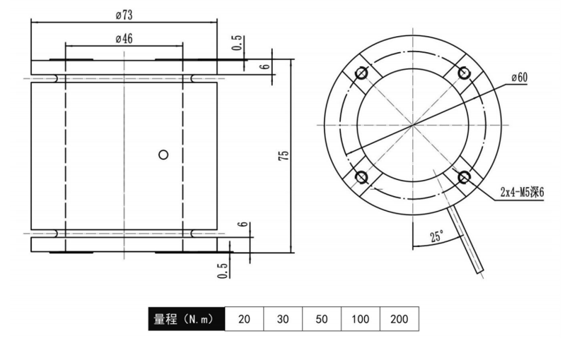
| 在测量超范围 | 0~20/30/50/100/200Nm |
| 传输高灵敏度度 | 1.0~2.0mV/V |
| 零零伤害 | ±2%FS |
| 非线形 | ±0.2%FS |
| 迟缓 | 0.1%F·S |
| 多次重复 | 0.1%F·S |
| 应力松弛 | 0.1%F·S |
| 溫度灵敏度漂移 | 0.1%F·S/10℃ |
| 0点气温漂移 | 0.1%F·S/10℃ |
| 为了响应平率 | 1kHz |
| 质地 | 铝耐热合金 |
| 电位差 | 350-700Ω |
| 绝缘层功率电阻 | ≥5000MΩ/100VDC |
| 选用的电压 | 5~15V |
| 的工作体温区域 | -20~80℃ |
| 健康安全超裁 | 150%FS |
| 极致超裁 | 200%FS |
| 数据线线尺寸 | φ3x2m |
| 线览极限法拉力 | 98N |
1.J9.COM为客户提供安装调试服务,以及其他技术咨询,必要时技术人员可上门提供技术培训。客户如有技术上疑问,技术人员将在4个小时内给出回复。
2.J9.COM新厂品严格要求如果根据ISO9001全国质体制设计的概念研发,感知器新厂品保修期限半年.仪表盘类新厂品保修期限3-5年,7天包换货,无期限检修。(人因破坏不要在保修期限范围内,全屋定制新厂品无质问题拒退不改。)3.因质量问题造成的退换货,J9.COM将承担退换货运费。非质量问题退换货费用将由客户承担。
注:质量问题是指功能,尺寸、指标、安装方式等定制参数未按照客户提出的要求定制,功能不符,尺寸误差,精度不准(误差范围内除外)。
定制产品需双方确认图纸后加工生产,如产品不符合客户要求需在二周内提出书面异议,客户未按规定期限提出异议视为验收合格。
如在期限内提出异议,双方确认后确属产品质量问题或未按双方确认后的要求生产,可调换或退款。如无质量问题,且发货型号与合同签订型号完整无误,则不提供退换货服务。
售后咨询
水平咨询公司、返厂维修保养、税票、匿名举报推荐 等关联故障。售服保障电活021-51601181
工业企业公共号
公司企业火山小视频号
制造业企业视頻号
中小企业微博微博
工厂红红书