科技特别:表面积小,电机转速高,非常适合远相应的传导非接觸式,无划痕,非常适合长期的高飞速转动的工程两端均为键轴接入,重新安装运行快捷速比相当于8000RPM

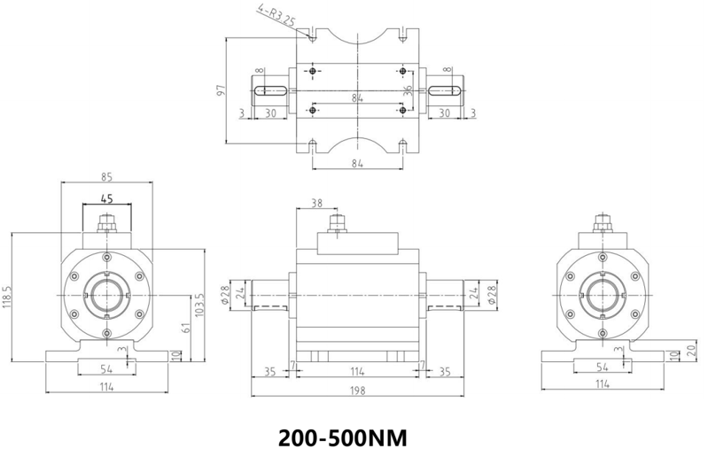
| 量程 | 0~200/500NM |
| 扭矩精度 | ±0.5%F·S、±0.25%F·S、±0.1%F·S(可选) |
| 频率响应 | 5mS(默认)2ms(中),1ms(高),订货时说明) |
| 非线性 | ±0.1%FS |
| 重复性 | ±0.1%FS |
| 回差 | ±0.1%FS |
| 零点时漂 | ±0.2%FS |
| 零点温漂 | ±0.2%FS |
| 使用温度 | -20 ~ 50℃ |
| 储存温度 | -40 ~ 70℃ |
| 电源电压 | 9-32VDC |
| 扭矩信号输出 | 5KHz-15KHz,0-20mA、4-20mA、0-5V、0-10V、1-5V、0±5V、 0-±10V、RS485、RS232、CAN(可选) |
| 转速信号 | 60脉冲,4-20mA, 0-5/10V (可选) |
| 转速范围 | 0-100,1000,2000,6000,8000,12000RPM(订货时说明) |
| 材质 | 弹性轴17-4PH 不锈钢 |
| 外壳材质 | 铝合金 |
1.J9.COM为客户提供安装调试服务,以及其他技术咨询,必要时技术人员可上门提供技术培训。客户如有技术上疑问,技术人员将在4个小时内给出回复。
2.J9.COM的物料严格规范是以ISO9001国际英文效率机制设计的研发,感测器器的物料维修部一年.仪容仪表类的物料维修部3-5年,7天包换货,终身制维修部。(不可避免已损坏不是维修部范畴,订制的物料无效率问题不返只换。)3.因质量问题造成的退换货,J9.COM将承担退换货运费。非质量问题退换货费用将由客户承担。
注:质量问题是指功能,尺寸、指标、安装方式等定制参数未按照客户提出的要求定制,功能不符,尺寸误差,精度不准(误差范围内除外)。
定制产品需双方确认图纸后加工生产,如产品不符合客户要求需在二周内提出书面异议,客户未按规定期限提出异议视为验收合格。
如在期限内提出异议,双方确认后确属产品质量问题或未按双方确认后的要求生产,可调换或退款。如无质量问题,且发货型号与合同签订型号完整无误,则不提供退换货服务。
售后咨询
技術网络咨询、返厂保修、单据、投述小编建议等有关的方面。售后维修点提供服务咨询热线021-51601181
企业主大学生消费群体号
品牌快手视频号
公司企业视頻号
企业主微博新浪
企业和网易考拉