的技术特征 :容积小,转数高,非常适合远长度的数据传输非玩式,无损耗,满足常年高速的补偿器的载荷两端均为键轴衔接,重新安装安全使用省事最多轉速会达4000RPM

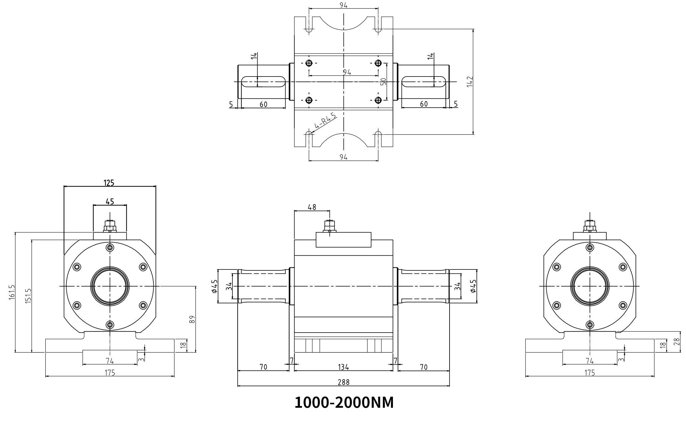
| 量程 | 0~1000/2000NM |
| 扭矩精度 | ±0.5%F·S、±0.25%F·S、±0.1%F·S(可选) |
| 频率响应 | 5mS(默认)2ms(中),1ms(高),订货时说明) |
| 非线性 | ±0.1%FS |
| 重复性 | ±0.1%FS |
| 回差 | ±0.1%FS |
| 零点时漂 | ±0.2%FS |
| 零点温漂 | ±0.2%FS |
| 使用温度 | -20 ~ 50℃ |
| 储存温度 | -40 ~ 70℃ |
| 电源电压 | 9-32VDC |
| 扭矩信号输出 | 5KHz-15KHz,0-20mA、4-20mA、0-5V、0-10V、1-5V、0±5V、 0-±10V、RS485、RS232、CAN(可选) |
| 转速信号 | 60脉冲,4-20mA, 0-5/10V (可选) |
| 转速范围 | 0-100,1000,2000,4000RPM(订货时说明) |
| 材质 | 弹性轴17-4PH 不锈钢 |
| 外壳材质 | 铝合金 |
1.J9.COM为客户提供安装调试服务,以及其他技术咨询,必要时技术人员可上门提供技术培训。客户如有技术上疑问,技术人员将在4个小时内给出回复。
2.J9.COM品牌严厉,并按照ISO9001國际的质量水平体制设置生育,感测器器品牌保质期1年时间内.仪器仪表类品牌保质期四年,7天退货退款货,一生返修。(人员磨损不再保质期的范围,环保定制家具品牌无的质量水平疑问拒退不更换。)3.因质量问题造成的退换货,J9.COM将承担退换货运费。非质量问题退换货费用将由客户承担。
注:质量问题是指功能,尺寸、指标、安装方式等定制参数未按照客户提出的要求定制,功能不符,尺寸误差,精度不准(误差范围内除外)。
定制产品需双方确认图纸后加工生产,如产品不符合客户要求需在二周内提出书面异议,客户未按规定期限提出异议视为验收合格。
如在期限内提出异议,双方确认后确属产品质量问题或未按双方确认后的要求生产,可调换或退款。如无质量问题,且发货型号与合同签订型号完整无误,则不提供退换货服务。
售后咨询
技术设备咨询了解、返厂检修、单据、投述建立等想关现象。售后维修工作工作热线电话021-51601181
的企业大家号
客户短视频号
行业视频播放号
企业的微薄
企业和聚美优品