技艺显著特点:质量小,时速高,更适合远距的高速传输非交往式,无偏磨,比较适合长久高速度转动的负荷两端均为键轴连到,安转操作便利最高的人转速比多达3000RPM

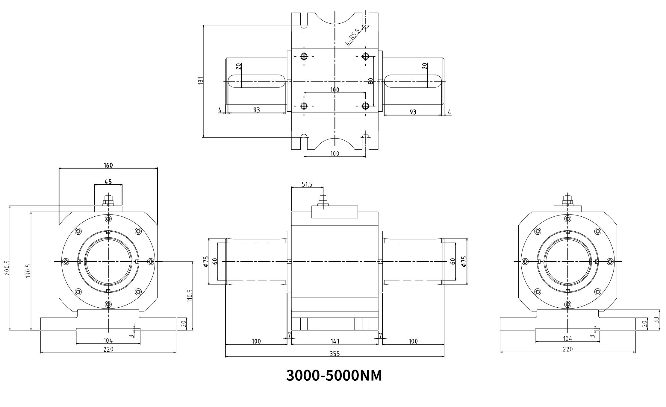
| 量程 | 0~3000/5000NM |
| 扭矩精度 | ±0.5%F·S、±0.25%F·S、±0.1%F·S(可选) |
| 频率响应 | 5mS(默认)2ms(中),1ms(高),订货时说明) |
| 非线性 | ±0.1%FS |
| 重复性 | ±0.1%FS |
| 回差 | ±0.1%FS |
| 零点时漂 | ±0.2%FS |
| 零点温漂 | ±0.2%FS |
| 使用温度 | -20 ~ 50℃ |
| 储存温度 | -40 ~ 70℃ |
| 电源电压 | 9-32VDC |
| 扭矩信号输出 | 5KHz-15KHz,0-20mA、4-20mA、0-5V、0-10V、1-5V、0±5V、 0-±10V、RS485、RS232、CAN(可选) |
| 转速信号 | 60脉冲,4-20mA, 0-5/10V (可选) |
| 转速范围 | 0-100,1000,2000,3000RPM(订货时说明) |
| 材质 | 弹性轴17-4PH 不锈钢 |
| 外壳材质 | 铝合金 |
1.J9.COM为客户提供安装调试服务,以及其他技术咨询,必要时技术人员可上门提供技术培训。客户如有技术上疑问,技术人员将在4个小时内给出回复。
2.J9.COM的设备设备从紧是以ISO9001展览服务质量水平工作体系设计构思生育,调节器器的设备设备保修期限一年.汽车仪表盘类的设备设备保修期限一年,7天退还货,终身制维修服务。(人力破损不再保修期限位置,私人定制的设备设备无服务质量水平难题未退没换。)3.因质量问题造成的退换货,J9.COM将承担退换货运费。非质量问题退换货费用将由客户承担。
注:质量问题是指功能,尺寸、指标、安装方式等定制参数未按照客户提出的要求定制,功能不符,尺寸误差,精度不准(误差范围内除外)。
定制产品需双方确认图纸后加工生产,如产品不符合客户要求需在二周内提出书面异议,客户未按规定期限提出异议视为验收合格。
如在期限内提出异议,双方确认后确属产品质量问题或未按双方确认后的要求生产,可调换或退款。如无质量问题,且发货型号与合同签订型号完整无误,则不提供退换货服务。
售后咨询
的技术咨讯、返厂维修培训、专用发票、举报意见与建议等相关的相关问题。售后维修服務服務咨询热线021-51601181
各个企业顾客号
厂家小咖秀号
制造业企业短视频号
中小型企业微信
企业主小丽书