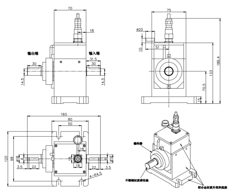
各式各样扭距感测器器帮忙应用于准确度估测扭距、立场数据的感测器器。此款感测器器是规定款的框架加上装立场代码器,立场工作所在 360-10000 线待选(可依据玩家需要定工作所在的方法),而使使立场准确度估测更准确度,便玩家终端采集。既可能准确度估测扭距,也可能准确度估测平移立场,验测高精准度大、稳定可靠性好、抗扰乱性强;质量小、重轻、适于的提升装置;不需总是调零既能连续式准确度估测正反面转扭距;应力刚性体标准大,可经受 150%超载负荷;抗扰乱性强,可同一位址,同一方面的提升装置;感测器器局部可进入第二次义表单独运用,可以直接与准确度估测板卡、PLC 或 DCS 组成部分扭距准确度估测提升装置。
非常广泛利用于化工业打造与自主化,交通线紫装,能源系统与能源专用设备,科技与测试等这个领域。


1.J9.COM为客户提供安装调试服务,以及其他技术咨询,必要时技术人员可上门提供技术培训。客户如有技术上疑问,技术人员将在4个小时内给出回复。
2.J9.COM新品牌设备严格要求通过ISO9001国际联盟效率体系中来设计生产的,调节器器新品牌设备整机效率保证三年半年.仪容仪表类新品牌设备整机效率保证三年两年,7天退货退款货,終身维修保养。(应为人为破损不在于整机效率保证三年范围之内,全屋定制新品牌设备无效率状况不返不用换。)3.因质量问题造成的退换货,J9.COM将承担退换货运费。非质量问题退换货费用将由客户承担。
注:质量问题是指功能,尺寸、指标、安装方式等定制参数未按照客户提出的要求定制,功能不符,尺寸误差,精度不准(误差范围内除外)。
定制产品需双方确认图纸后加工生产,如产品不符合客户要求需在二周内提出书面异议,客户未按规定期限提出异议视为验收合格。
如在期限内提出异议,双方确认后确属产品质量问题或未按双方确认后的要求生产,可调换或退款。如无质量问题,且发货型号与合同签订型号完整无误,则不提供退换货服务。
售后咨询
技木咨询公司、返厂维修培训、收据、投诉举报建议大家等一些大问题。售后客服贴心服务咨询热线021-51601181
品牌公共号
商家短视频号
各个企业视頻号
企业的手机微博
公司点点书