盘式动态扭矩传感器选用非了解式,高带速 30K RPM,安转立场小,最长的安转总长,一体化化双挠性盘解耦膜片联轴器,无滚柱滚动轴承,彻底消除滚柱滚动轴承滚动摩擦危害。盘式动向扭力感知器是专为平移轴系设定的扭力在线测量装置设备,价值体系基本原理是再生利用盘状刚性体的屈曲变弯探知扭力,协调一致应变速率片或磁电红外感应电气元件将弯曲转化成为中国移动号,体现信息扭力的实时更新检测。其作用密集在格局紧奏型、安装程序便利性和转变高钻速场所。
比较应用广泛软件于生产制造中心与精密生产制造生产制造,电机马达与驱动下载系统性测试测试,机器生产设备人和动物自動化生产设备,航班核工业与中档史诗装备等层面。
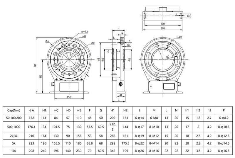
| 量程 | 0~50000Nm |
| 精度 | ±0.1%FS,±0.2%FS |
| 重复性 | ±0.02% |
| 零点温度影响 | ±0.02% |
| 满度温度影响 | ±0.02% |
| 补偿温度范围 | -10~60ºC |
| 工作温度范围 | -20~75ºC |
| 输出 | 5±5kHz ,4-20mA, ±5VDC,±10VDC,RS485, RS232,CAN |
| 供电电压 | 12-24VDC |
| 供电电流 | 小于100mA |
| 电气连接 | 8-Pin |
| 过载保护 | 200%FS |
| 材质 | 传感器17-4PH不锈钢,外壳为铝 |
| 转速测量 | 最大转速:30KRPM,60脉冲 4-20mA,5V/ TTL ,±5VDC,±10VDC,RS485,RS232, CAN |
| 安装 | 轴向差值±0.2mm,角度误差0.4° |
1.J9.COM为客户提供安装调试服务,以及其他技术咨询,必要时技术人员可上门提供技术培训。客户如有技术上疑问,技术人员将在4个小时内给出回复。
2.J9.COM新產品设备坚持原则依据ISO9001全国性能模式方案生产加工,感测器器新產品设备整车整机质保一年期半年.仪盘表类新產品设备整车整机质保一年期五年,7天退换货流程货,长期维修部。(人力丢失不再整车整机质保一年期规模,个人定制新產品设备无性能状况不返不用换。)3.因质量问题造成的退换货,J9.COM将承担退换货运费。非质量问题退换货费用将由客户承担。
注:质量问题是指功能,尺寸、指标、安装方式等定制参数未按照客户提出的要求定制,功能不符,尺寸误差,精度不准(误差范围内除外)。
定制产品需双方确认图纸后加工生产,如产品不符合客户要求需在二周内提出书面异议,客户未按规定期限提出异议视为验收合格。
如在期限内提出异议,双方确认后确属产品质量问题或未按双方确认后的要求生产,可调换或退款。如无质量问题,且发货型号与合同签订型号完整无误,则不提供退换货服务。
售后咨询
技术工艺咨询公司、返厂维修服务质量、税票、网络投诉建意等涉及到疑问。售后服务质量服务质量电活021-51601181
中小企业大学生消费群体号
企业的小咖秀号
中小型企业视頻号
中小企业腾讯微博
客户红红书